Покупая «OMEGA 112 СМ WC РАМА GEBERIT DUOFIX» данный товар из каталога «Встраиваемые стеллажи» вы можете быть уверены, что после оформления заказа, доставки в Украину, вы получите именно то, что заказывали, в оговоренные сроки и европейского качества.
ПРОТОЧНЫЙ УНИТАЗ OMEGA 112 CM GEBERIT DUOFIX
Характеристики продукта
- Бренд: Geberit
- Серия: Duofix
- Каталоговый номер: 111060001
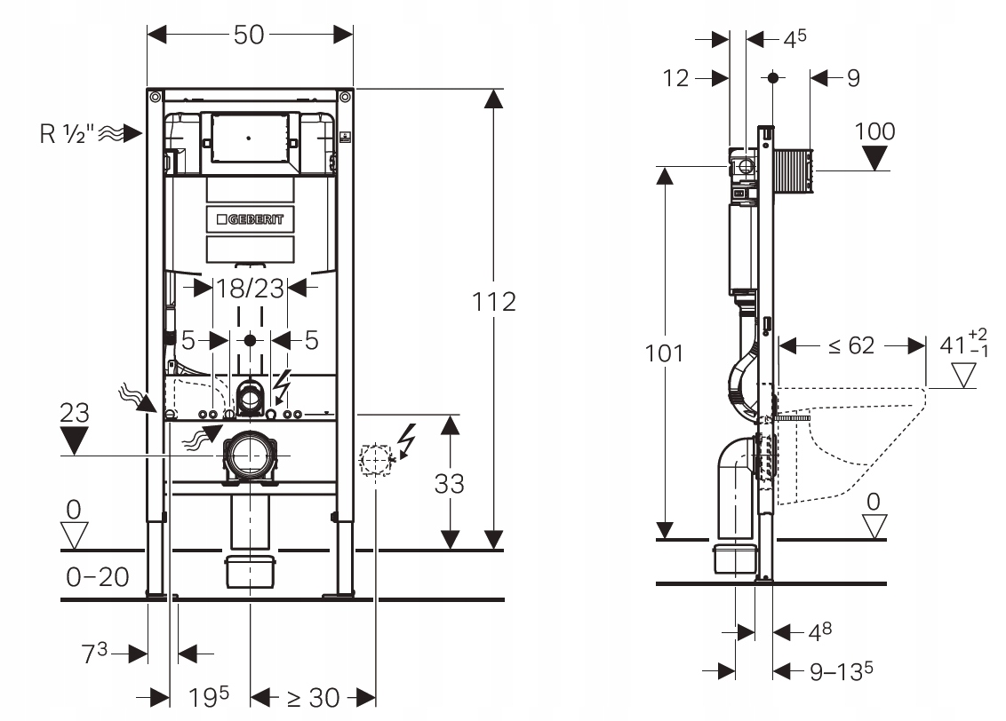
- Высота: 112 см
- Тип: для подвесной чаши.
- Корпус: легкий (для гипсокартона).
- EAN-код: 4025416301837.

ОПИСАНИЕ ПРОДУКТА
<ул>
для установки на поверхность с толщиной слоя пола 0–20 см.
для установки в части стены системы Duofix перед сплошной стеной или стеной из гипсокартона
для установки в стену системы Duofix высотой с комнату
для установки в частичной стене КРУЭ или стене высотой с комнату перед сплошной стеной или стеной из гипсокартона.
для установки перед сплошной стеной или стеной из гипсокартона.
для установки частично или на высоте стены перед сплошной стеной или стеной из гипсокартона.
для установки на гипсокартонную стену высотой с комнату
для подвесных унитазов максимальной длиной 62 см.
для использования с двойным смывом
для подключения стиральных машин Geberit AquaClean
не подходит для заливки в бетон.
рама с отверстиями ø 9 мм для крепления к деревянной каркасной стене.
самостоятельный
Рамка из профиля С 4х4 см.
Рамка с порошковым покрытием, синий ультрамарин.
ножки регулируются на 5 см.
поворотная подножка, для установки в профили UW50 и UW75
рамка для кронштейнов в унитазах с небольшой контактной поверхностью
Опоры для ног, оцинкованные, регулируемые в диапазоне 0–20 см.
подставки для ног с защитой от скольжения
Соединительное колено с возможностью установки на разную глубину без использования инструментов, диапазон регулировки 45 мм.
Крепление сливного колена с акустической изоляцией
скрытый бачок с кнопкой спереди, с изоляцией от росы.
двойной смыв с кнопками Omega20, Omega30 и Omega60.
При заводских настройках повторная промывка возможна сразу
монтажные и сервисные работы на скрытом бачке без использования инструментов.
Подключение воды сбоку или сзади, слева
Защитный корпус защищает сервисное отверстие от влаги и грязи.
защитный кожух сервисного отверстия с возможностью разрезания
оснащен заглушкой на входе воды для подключения устройств Geberit AquaClean
возможность установки количества смываемой воды: 4 л для большого смыва и 2 л для малого смыва.
Технические данные:
<ул>
расчетный расход 0,11 л/с
минимальное гидравлическое давление 0,5 бар
диапазон давления потока 0,1–10 бар
максимальная рабочая температура воды 25 °C
заводская настройка количества воды для смыва — 6 и 3 л.
диапазон настроек для смыва большим объемом воды 4,5/6/7,5 л
диапазон настройки для смыва небольшим количеством воды 3–4 л
В комплект входит:
<ул>
Подключение воды R 1/2", тип MF, со встроенным угловым клапаном и ручкой
защитный кожух смотрового отверстия
Комплект подключения к унитазу, ø 90 мм
Соединительное колено 90° из полиэтилена высокой плотности, ø 90 мм
переходная муфта из PE-HD, ø 90/110 мм
2 защитных колпачка.
2 стержня с резьбой M12.
крепежный материал
В комплект не входят кнопка активации и проставки (продаются отдельно).