Орбітальний двигун, вал 25 мм 200 куб.см, бокове підключення White
- Время доставки: 7-10 дней
- Состояние товара: новый
- Доступное количество: 2
Покупая «Орбітальний двигун, вал 25 мм 200 куб.см, бокове підключення White» данный товар из каталога «Гидравлические двигатели» вы можете быть уверены, что после оформления заказа, доставки в Украину, вы получите именно то, что заказывали, в оговоренные сроки и европейского качества.
Орбитальный двигатель, вал 25 мм, 200 куб.см, боковое подключение Белый
✔️Технические данные:
Номер детали:OMPWX20011186747
EAN:
Единица:Искусство
Характеристики:Надежная и компактная конструкция. Очень высокая радиальная нагрузка на вал.
Применение:Колесные приводы и золотниковые приводы. Подходит для непрерывной работы при среднем давлении или кратковременной работы при высоком давлении.
Особенности:Высокий пусковой момент С отводом утечек масла Конструкция ротора Широкий подшипник скольжения вала Установленный сзади монтажный фланец
Техническая информация:Возможность непосредственной установки на ступицу колеса
Преимущества:Не требует большого пространства. Безопасная работа.
Форма воротника:Круг
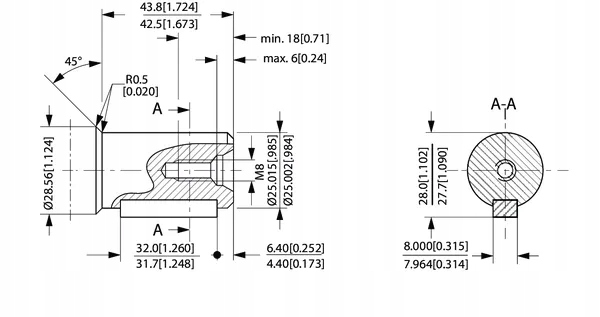
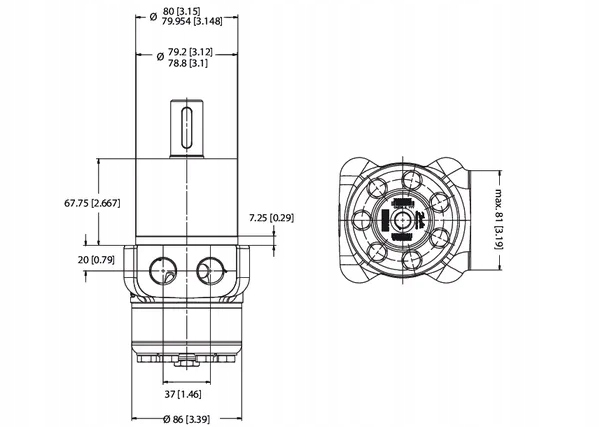
Диаметр фланца: 103 мм
Диаметр крепежных отверстий:80 мм
Тип вала: Цилиндрический
Диаметр вала:25 мм
Производительность:200 см³/об
Максимальный продолжительный крутящий момент:400 Н·м
Минимальный пусковой момент:375 Н·м
Тип уплотнения:Высокое давление
Макс. постоянное рабочее давление:155 БАР
Минимальное начальное давление:5 БАР
Максимальный поток:60 л/мин
Максимальная скорость вращения:310 об/мин
Диаметр резьбы основного соединения:1/2 дюйма
Тип основной резьбы соединения:G
Диаметр резьбы сливного соединения:1/4 дюйма
Тип резьбы сливного соединения:G
Положение подключения:Сбоку
Максимальная мощность:10,9 кВт
Длина корпуса:92,9 мм
Номер оригинального оборудования:11186747
Продюсер: Уайт
