Освітлювальна пластина 6xLED 25x25мм 4шт.
- Время доставки: 7-10 дней
- Состояние товара: новый
- Доступное количество: 31
Просматривая «Освітлювальна пластина 6xLED 25x25мм 4шт.», вы можете быть уверены, что данный товар из каталога «Светодиодные полосы» будет доставлен из Польши и проверен на целостность. В цене товара, указанной на сайте, учтена доставка из Польши. Внимание!!! Товары для Евросоюза, согласно законодательству стран Евросоюза, могут отличаться упаковкой или наполнением.
Плата осветителя 6xLED 25х25мм (комплект из 4 шт.)
Универсальная ламинатная плата, двусторонняя, с металлизированными отверстиями, лужеными контактными поверхностями, белой паяльной маской, стандартный шаг отверстий 2,54 мм (100 мил). Для сборки прототипов электронных систем.
ХАРАКТЕРИСТИКИ
- Ламинат FR-4, толщина: 1,6 мм
- Размер : 25x25 мм
- Монтажное отверстие (центральное): 3,5 мм
- Монтажные отверстия (боковые): 2,6 мм
- Максимальное напряжение питания: 30 В
- Максимальный ток нагрузки: 40 мА
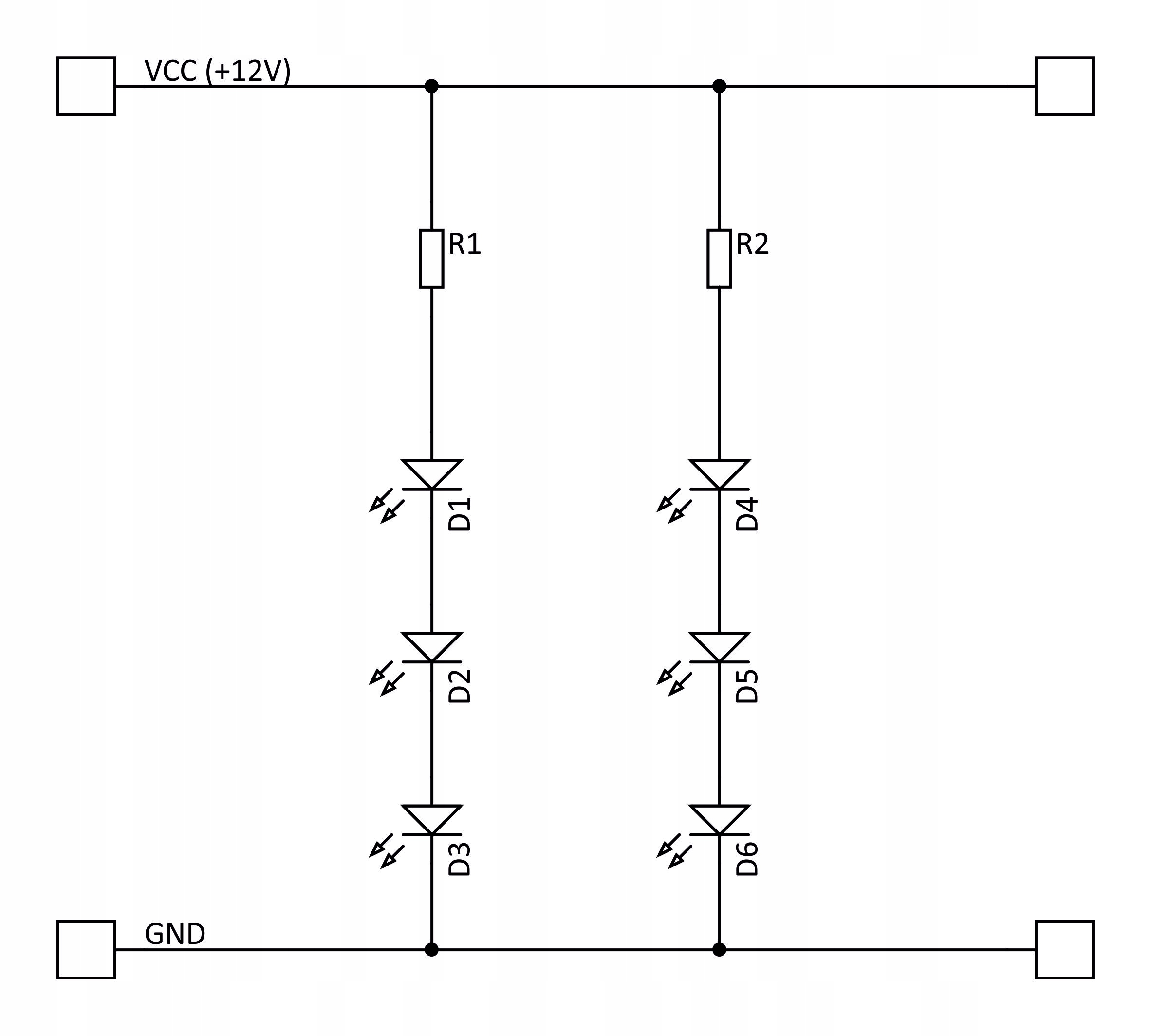
Плата предназначена для установки светодиодов диаметром 5 мм или 3 мм любого цвета. Резисторы R1, R2 в корпусах SMD 1206 мощностью 0,25Вт следует выбирать в зависимости от используемых светодиодов.
Пример номиналов резисторов для напряжения питания модуля 12В @15мА в ветви светодиодов для типового диоды:
- D1-D6 (белый Uf=3,3В) R1, R2 = 150R/0,25Вт
- D1-D6 (синий Uf=3,3В) R1, R2 = 150R/ 0,25 Вт
- D1-D6 (красный Uf=2,1 В) R1, R2 = 390R/ 0,25 Вт
- D1-D6 (зеленый Uf=2,1 В) R1, R2 = 390R/ 0,25 Вт
- D1-D6 (желтый Uf=2,1 В) R1, R2 = 390R/ 0,25 Вт
В автомобильных установках, где напряжение источника питания менее стабильно и может достигать 14,4 В, возможно, потребуется увеличить номинал резистора.
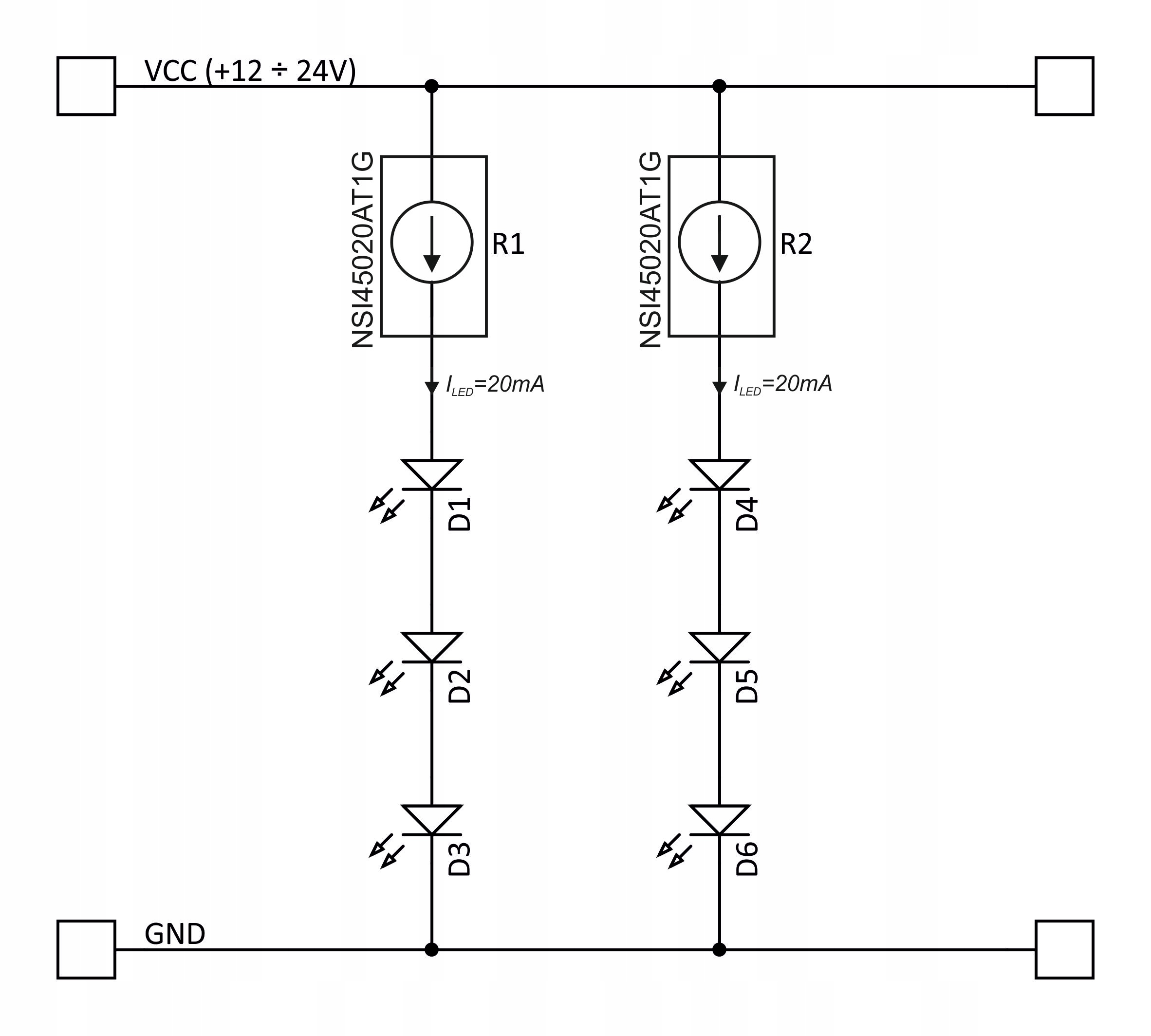
Специализированные драйверы светодиодов в корпусах SOD-123, например NSI45020AT1G, могут быть установлены на контактные площадки резисторов R1, R2. Они поддерживают постоянный ток 20мА в цепи питания светодиодов, что позволяет использовать модуль в широком диапазоне напряжений питания, например 12-24В, независимо от цвета используемых светодиодов. Катод драйвера на плате отмечен точкой.
В комплекте 4 шт. плитки, плитки можно соединять в ряды по несколько штук.
- Примерные реализации после установки светодиодов, диодов и других элементов сборки не являются предметом предложения. НА ДРУГИХ НАШИХ АУКЦИОНАХ, СВЕТОДИОДЫ И ДРУГИЕ АКСЕССУАРЫ И ДЕМОНСТРАТИВНЫЕ НАБОРЫСБОРКИ САМОДЕЛЬНЫМИ
