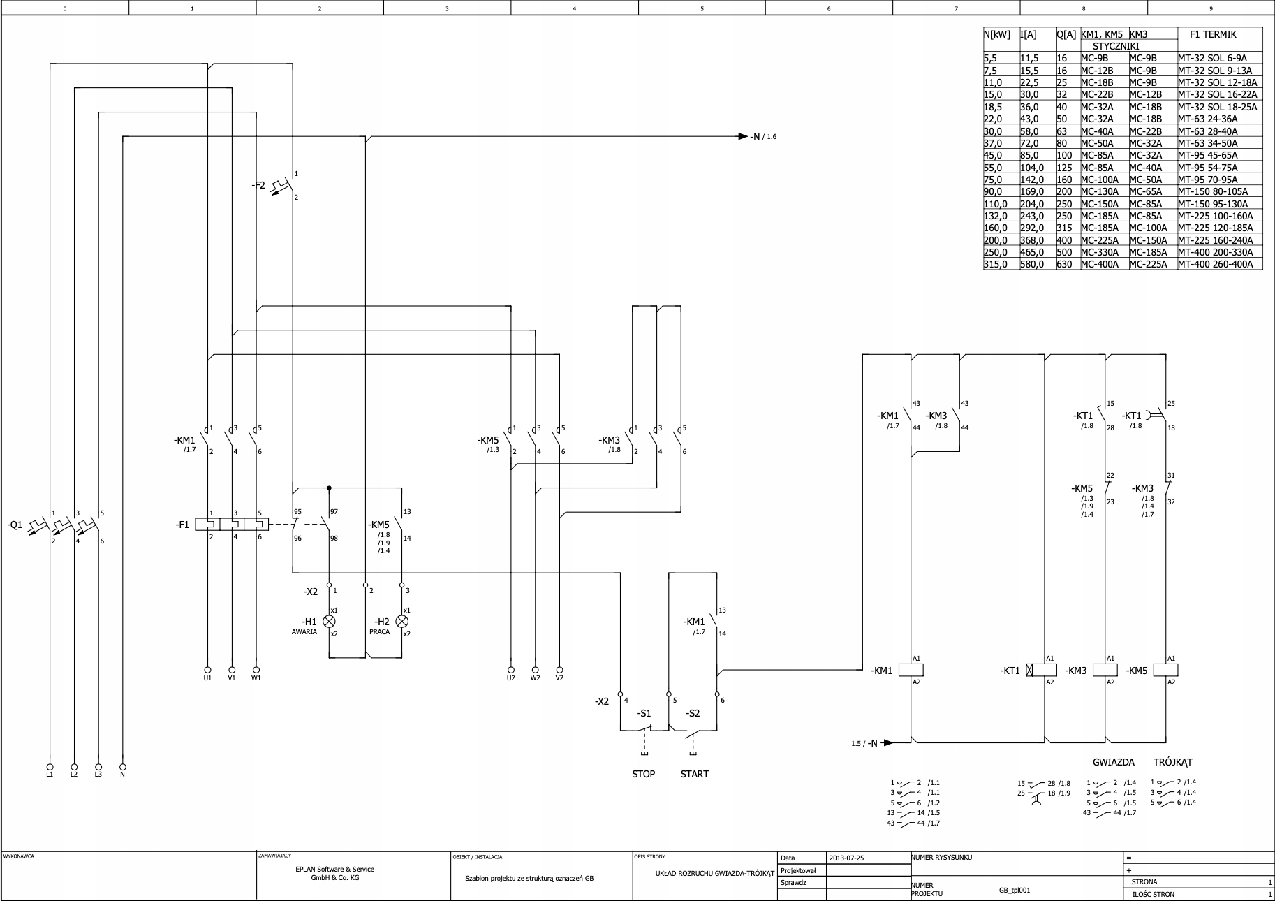
Перемикач зірка - трикутник 7,5кВт
- Время доставки: 7-10 дней
- Состояние товара: новый
- Доступное количество: 5
Покупая «Перемикач зірка - трикутник 7,5кВт» данный товар из каталога «Остальные» вы можете быть уверены, что после оформления заказа, доставки в Украину, вы получите именно то, что заказывали, в оговоренные сроки и европейского качества.
Переключатель звезда-треугольник 7,5 кВт
При запуске двигателя его обмотки соединяются звездой, благодаря чему пусковой ток в три раза ниже, чем при прямом способе. К сожалению, пусковой момент также ниже, поэтому использовать можно только этот способ запуска. для двигателей, не нагруженных в момент запуска, номинальным моментом.
После достижения двигателем частоты вращения, близкой к синхронной, конфигурацию обмотки вручную переключают на треугольник – тогда двигатель достигает номинальной частоты вращения и создает номинальный крутящий момент.
Размеры плиты в сборе (ширина х высота) [см]: 400 х 300
Элементы системы звезда-треугольник с мощностью 7,5кВт:
- контакторы КМ1 и КМ5 - МС-12Б,
- контактор КМ3 - МС9Б,
- Термик Ф1 - МТ-32 СОЛ 9-13А,
- Микроавтомат х 2,
- пусковое реле звезда-треугольник ANIRO типа MPC-TTZ-U240-216
- клеммные колодки
- монтажная пластина
