ДВУХСТОРОННИЙ ГИДРАВЛИЧЕСКИЙ РУЧНОЙ НАСОС, БАК 10 Л.
- Время доставки: 7-10 дней
- Состояние товара: новый
- Доступное количество: 48
Заказывая «Двойной гидравлический насос ручной работы 10L бак» данное изделие из «Гидравлическая система» вы можете быть уверены, что после оформления заказа, доставки в Украину, вы получите именно то, что заказывали, в оговоренные сроки и европейского качества.
ГИДРАВЛИЧЕСКИЙ НАСОС ДВУХСТОРОННИЙ 25см3 С БАКОМ
КОД SKRAW-MET: [7090]
Насос прекрасно работает в сочетании с гидроцилиндрами двойного действия - в машинах и устройствах с гидроприводом.
В комплект входят:
- Насос двойного действия 25см3 (прокладка насоса, шланг с масляным фильтром, комплект винтов с шайбами) [0970]
- Масляный бак с элементами крепления (заливная пробка, сливная пробка, вентиляционный шланг) [0754]
ДВУХСТОРОННИЙ ГИДРАВЛИЧЕСКИЙ НАСОС 25см3
SCRAW-MET КОД:[0970]
Насос идеально подходит для совместной работы с гидроцилиндрами двойного действия - в машинах и устройствах с гидроприводом.
Может использоваться в сельском хозяйстве, плодоводстве, лесном хозяйстве, строительстве и широко понимаемой промышленности.
Вместо красного цвета крышки, имеются масляные заглушки, к которым подключается цилиндр двустороннего действия.
Насос с функцией двойного подъема.
При перекачке масла с помощью рычага (вверх-вниз) масло постоянно накачивается и всасывается.
Насос подходит ко всем бакам, которые есть у нас на других баках. аукционы. Это баки емкостью: 10л, 7л, 5л, 3л, 1л.
В комплект насоса входят:
- Насос 25см3
- Рычаг
- Прокладка для насоса
- Набор винтов с шайбами
- Шланг с масляным фильтром
Технические характеристики:
Геометрическая емкость: 25 см3 за цикл
Заводская настройка перепускного клапана: 180 БАР
Максимальное давление: 250 бар
Кабельное соединение: внешняя резьба BSP 3/8"
Общий вес: 4,2 кг
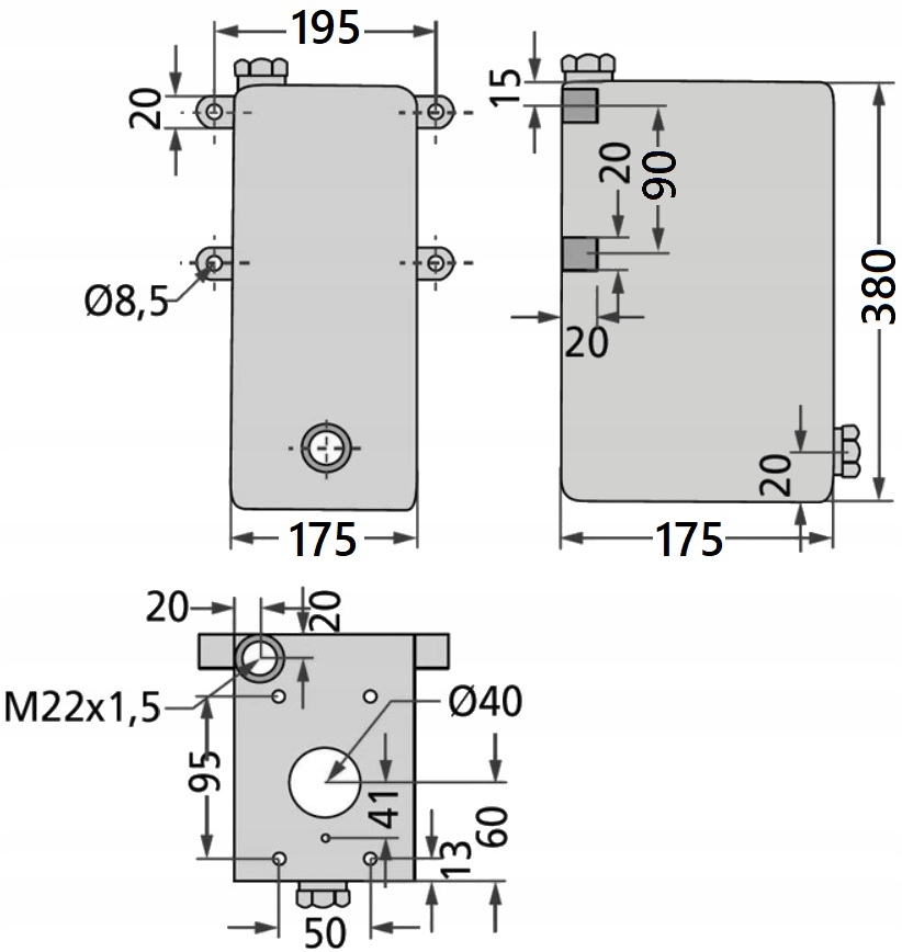
Масляный бак 10л ДЛЯ РУЧНЫХ НАСОСОВ
КОД SKRAW-MET:[0754]
Применяется в гидронасосах одно- и двустороннего действия, применяемых в сельском хозяйстве, плодоводстве, лесном хозяйстве и строительстве.
Гидравлический масляный бак устойчив к коррозии.
Приспособлен для работы. в: сельскохозяйственных машинах, тракторах, опрыскивателях, зубрах, циклопах, погрузчиках HDS, строительных машинах, погрузчиках, экскаваторах, подметальных машинах, промышленных машинах и др.
ПРЕИМУЩЕСТВА ПРОДУКТА
- Высокие антикоррозионные характеристики
- Хорошее рассеивание тепла
- Хороший фильтрующий эффект и высокая чистота
- Хорошая оптимизация структуры отделения загрязняющих веществ эффект.
- Компактная конструкция, подходящая для автомобиля
Технические характеристики:
Общая длина: 380 мм
Ширина бака: 175 мм
Расстояние между крепежными винтами: 195 мм х 90 мм
