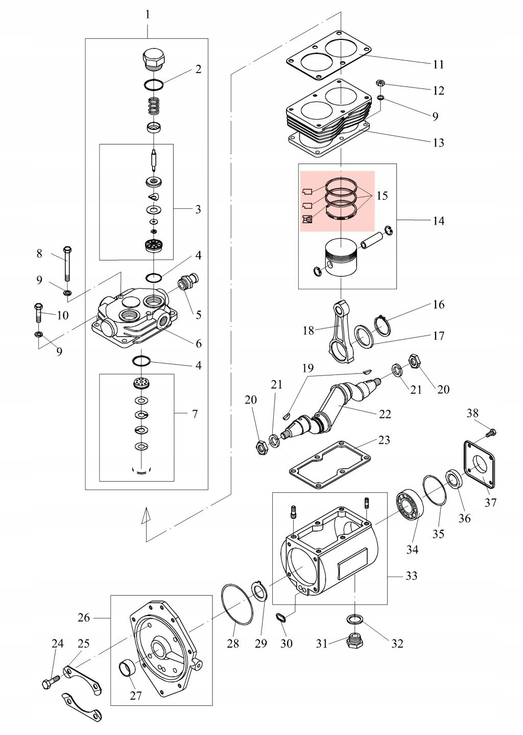
Поршневые кольца Ø75 N/T Компрессоры HS19/21x/31x, 601.09 ../ 15 .. 602.07 ..
- Время доставки: 7-10 дней
- Состояние товара: новый
- Доступное количество: 20
Приобретая «Поршневые кольца Ø75 N/T Компрессоры HS19/21x/31x, 601.09 ../ 15 .. 602.07 ..» данный товар из каталога «Компрессоры и детали» вы можете быть уверены, что после оформления заказа, доставки в Украину, вы получите именно то, что заказывали, в оговоренные сроки и европейского качества.
набор поршневых колец Ø75.0 (номинальный) новый тип для производственных компрессоров f.o.s. "Polmo" llodź S.A .. Тип hs19 (601.09.901), 601.09 .. , 601.15 .. , hs21x (602.04 ..), hs31x (602.05 ..), hs31x (602. 602.07 ..
Набор предназначен для компрессоров с новыми типами поршней , которые имеют поршневое масло с расширителем (с пружиной) и поршнем с более глубоким (4 мм) под привязанностью к нефти. Нефтяное кольцо без пружины, а глубина поршня составляет 3,3 мм. (Лодзи) для Ф.О.С. "Polmo", Лодзи С.А .. h2>
Набор колец Ø75.0 Н/т состоит из:
- 2 ПК. носовые кольца-герметизации Ø75.0 ( 602.05.115.04 )
- 1pc. ( 602.05.005.02 )
в квадратных скобках было дано количество ПК, обнаруженных в заданном типе компрессора, * часть отмечена детали, подверженной абсолютной замене при восстановлении:
HS19 (601.09.901) [1] [1] [1] [1] [1] [1] [1] [1] [1] [1] [1] [1] [1] [1] [1] [1] [1] [1] [1] [1] [1] [1] [1] [1] [1] [1] [1] [1] [1] [1] [1] [1] [1] [1] [1] [1] [1] [1] [1] [1] [1] [1] [1] [1] [1] [1] [1] [1] [1] [1] [1] [1]. 601.09.928 [1], 601,09,934 [1], 601,09,952 [1], 601,15,901 [1], 601,48,901 [1], HS21 (602,04,901) [2], HS21,1 (602,04,902) [2], HS21.444.04.04.04.04.04.04.04.04.04.04.04. [2], HS31 (602.05.901) [2], HS31.1 (602.05.902) [2], 602.07.901 [2], 602.07.904 [2], 602.07.905 [2]
