Вентилятор для котельной печи Defro RVt-12AR Вентилятор EWMAR-NESS RVt12ARD
Код: 17957895378
8412 грн
Цена указана с доставкой в Украину
Товар есть в наличии
КАК ЭКОНОМИТЬ НА ДОСТАВКЕ?
Заказывайте большое количество товаров у этого продавца
Информация
- Время доставки: 7-10 дней
- Состояние товара: новый
- Доступное количество: 17
Просматривая «Вентилятор для котельной печи Defro RVt-12AR Вентилятор EWMAR-NESS RVt12ARD», вы можете быть уверены, что данный товар из каталога «Котлы и печи» будет доставлен из Польши и проверен на целостность. В цене товара, указанной на сайте, учтена доставка из Польши. Внимание!!! Товары для Евросоюза, согласно законодательству стран Евросоюза, могут отличаться упаковкой или наполнением.
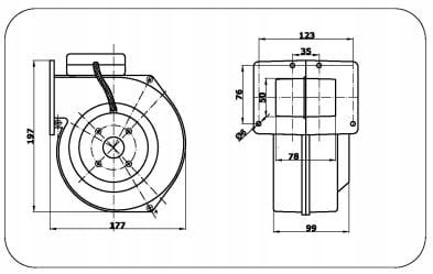
Приточный вентилятор котла с турбиной Ewmar-Ness RVt-12AR
Обозначение в котлах Defro RVt-12ARD
Примечание: с небольшой турбиной STP80/2
Применяется в котлах Defro и Другие
Параметры
- Номинальное напряжение: 230 В
- Номинальная частота: 50 Гц
- Мощность загрузки: 80 Вт
- Макс. производительность: 270 м3/ч
- Макс. давление: 340 Па.
- Обороты при макс. КПД: 2350 об/мин.
НА ДРУГИХ НАШИХ АУКЦИОНАХ МЫ ЕСТЬ ЗАПЧАСТИ ДЛЯ КОТЛОВ РАЗЛИЧНЫХ БРЕНДОВ, ДОСТУПНЫЕ СРАЗУ НА СКЛАДЕ
