Точка привязки к стальному профилю на 181 003
Код: 17820735617
870 грн
Цена указана с доставкой в Украину
Товар есть в наличии
КАК ЭКОНОМИТЬ НА ДОСТАВКЕ?
Заказывайте большое количество товаров у этого продавца
Информация
- Время доставки: 7-10 дней
- Состояние товара: новый
- Доступное количество: 474
Оплачивая «Точка привязки к стальному профилю на 181 003», вы можете быть уверены, что данный товар из каталога «Оборудование безопасности» будет доставлен из Польши и проверен на целостность. В цене товара, указанной на сайте, учтена доставка из Польши. Внимание!!! Товары для Евросоюза, согласно законодательству стран Евросоюза, могут отличаться упаковкой или наполнением.
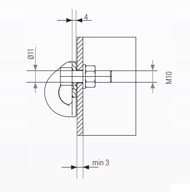
точка привязки h1> Символ: при 181 003 h2>
Точка привязки - это устройство крюка, прикрепленное к стальной конструкции.
соответствует en 795 Стандарты Тип A
Набор включает в себя:
- 1 x точка привязки в 181
- 1 x m12x40 винт
- 1 x Вайс
- 1 x self -brake nut m12
Техническая спецификация:
набор крепления
- .
- длина: 40 мм
- Количество: 1 ПК
