Przekaźnik, czasowy 12 V Hella
Код: 16725529774
6365 грн
Цена указана с доставкой в Украину
Товар есть в наличии
КАК ЭКОНОМИТЬ НА ДОСТАВКЕ?
Заказывайте большое количество товаров у этого продавца
Информация
- Время доставки: 7-10 дней
- Состояние товара: новый
- Доступное количество: 69
Просматривая «Przekaźnik, czasowy 12 V Hella» данный товар из каталога «Двигатель и фитинги», вы можете получить дополнительную скидку 4%, если произведете 100% предоплату. Размер скидки вы можете увидеть сразу при оформлении заказа на сайте. Внимание!!! Скидка распространяется только при заказе через сайт.
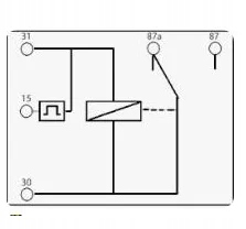
Реле таймер 12 В Hella
✔️Технические данные:
Номер детали: 5HE996152131
EAN:4082300277524
Единица:Искусство
Преимущества:Реле обогрева заднего стекла
Информация о продукте:5-полюсный, временной диапазон 0–900 с
Номинальный ток:10 А
Номинальное измерительное напряжение:12 В
Количество контактов:5
Контактные коды:15 87 87a 31 30
Рабочая температура - диапазон:-25-80 °C
Функция: Задержка выключения
Стандарт:E1 03 3795
