розетка з вимикачем і запобіжником
- Время доставки: 7-10 дней
- Состояние товара: новый
- Доступное количество: 46
Просматривая «розетка з вимикачем і запобіжником» данный товар из каталога «Части» вы можете быть уверены, что после оформления заказа, доставки в Украину, вы получите именно то, что заказывали, в оговоренные сроки и европейского качества.
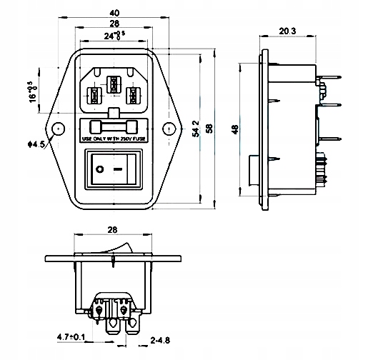
Розетка питания с держателем предохранителя и клавишным выключателем.
- Материал: пластик, металл
- Основной цвет: черный
- Напряжение и ток: 10А , 250В переменного тока.
- Отверстие для крепежных винтов: диаметр 3 мм.
- Расстояние между центрами отверстий: 4 см.
- Размер выреза: 2,5 х 1,7 см.
- Размер вставки предохранителя: 5 х 20 мм.
- Общий размер 5,5 х 5 х 2 см.
- Тип штекера: 3-контактный.
- Всего. Состав: 1 выключатель C14, розетка, держатель предохранителя.
Описание:
3-контактная вилка, розетка широко используется в лабораторное оборудование, устройства промышленной автоматизации, компьютеры, источники питания и т. д.
Использовать только с предохранителем на 250 В.
На рисунке ниже показаны все размеры предлагаемой розетки.
Ниже представлен рисунок с размерами монтажного отверстия, которое необходимо подготовить для установки.
У нас их два. версии предлагаемой розетки, отличающиеся переключателем. Текущее предложение касается черного выключателя с электрической стороны, работающего с одним контактом (однополюсным) - это означает, что силовая цепь будет включена только вдоль линии тока, а нулевая линия будет постоянно подключена.
Розетки с двухконтактным выключателем, подсвеченные красным, представляем в другом предложении.
