САМОЦЕНТРИРУЮЩИЙСЯ СВАРОЧНЫЙ ПОЗИЦИОНЕР КРОНШТЕЙН ТРУБНЫЙ КРОНШТЕЙН 600
- Время доставки: 7-10 дней
- Состояние товара: новый
- Доступное количество: 99
Оплачивая «САМОЦЕНТРИРУЮЩИЙСЯ СВАРОЧНЫЙ ПОЗИЦИОНЕР КРОНШТЕЙН ТРУБНЫЙ КРОНШТЕЙН 600», вы можете быть уверены, что данный товар из каталога «Позиционеры» будет доставлен из Польши и проверен на целостность. В цене товара, указанной на сайте, учтена доставка из Польши. Внимание!!! Товары для Евросоюза, согласно законодательству стран Евросоюза, могут отличаться упаковкой или наполнением.
⭐⭐⭐⭐⭐
Сварочная горелка для труб Metcor Polska
Metcor WPC600
⭕ CORMAK group ⭕
Сварочная горелка для труб Metcor идеально подходит для позиционеров Metcor Polska (например, WP1000), что обеспечивает легкую сборку трубы в позиционере и невероятную точность.
⭐ МЫ ПОЛЬСКИЙ ПОСТАВЩИК, ПОЛЬСКИЙ ПРОИЗВОДИТЕЛЬ СО СКЛАДАМИ В ПОЛЬШЕ.
☑️ В стоимость входит:
- Надежная и долговечнаяручка для сварки труб
- Набор из 3-х зажимных губок
- Транспорт по указанному адресу
- Надежный сервис и наличие запчастей
☑️ Параметры:
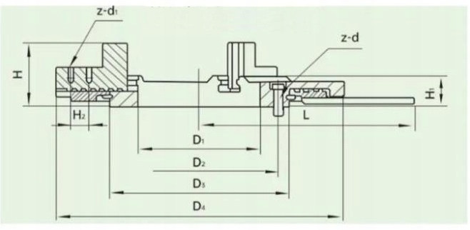
- Модель: WPC600
- Диаметр основания (D1): 365 мм
- Наружный диаметр (D2): 400 мм
- Диаметр губки (D3): 425 мм
- Максимальный диаметр хвостовика (D4): 600 мм
- Высота (H): 170 мм
- Вес: 95 кг
- Грузоподъемность: 1000 кг
- Диапазон челюстей (стандартное положение): 150–410 мм
- Диапазон челюстей (обратное положение): 400–620 мм
☑️Описание устройства:
Metcor WPC600 — профессиональный самоцентрирующийся держатель, предназначенный для позиционирования труб, фланцев, гильз и других цилиндрических элементов во время сварки, сборки или механической обработки.
Благодаря точному механизму самоцентрирования держатель обеспечивает идеальное осевое позиционирование детали без необходимости ручной корректировки ее положения.
Конструкция изготовлена из прочной стальной конструкции, гарантирующей стабильность и устойчивость. к тяжелым нагрузкам - до 1000 кг.
Широкий диапазон хода челюстей (150-410 мм в стандартном положении и 400-620 мм в обратном положении) позволяет обрабатывать элементы различного диаметра, что делает устройство исключительно универсальным.
Рукоятка также отличается высокой жесткостью, низким профилем (высота 170 мм) и плавностью регулировки, что облегчает установку на сварочных позиционерах, рабочих столах и вертушки.
⭐ Metcor WPC600
Почему стоит выбрать METCOR?
✅ Качество, подтвержденное опытом - Metcor - признанный польский бренд с многолетним опытом, ценимый за надежность и функциональность своих машин.
✅ Гарантия и сервис - мы предлагаем комплексное гарантийное и послегарантийное обслуживание. Наша команда состоит из квалифицированных специалистов, обладающих практическими знаниями.
✅ Безопасность использования - устройство соответствует всем европейским стандартам и имеет соответствующие сертификаты, обеспечивающие безопасные условия работы.
✅ Профессиональное обслуживание клиентов - мы предоставляем профессиональные консультации на каждом этапе покупки, от выбора оборудования до его установки.
✅ Быстрая доставка - благодаря разветвленной логистике мы обеспечиваем своевременную отгрузку и доставку непосредственно на Ваше предприятие.
