ЩЕЛЕСТИ М'ЯКІ РОЗНІМНІ 315мм НА ІМПОРТ. РУЧКИ
- Время доставки: 7-10 дней
- Состояние товара: новый
- Доступное количество: 9
Оплачивая «ЩЕЛЕСТИ М'ЯКІ РОЗНІМНІ 315мм НА ІМПОРТ. РУЧКИ» данный товар из каталога «Держатели и приспособления для крепления» вы можете быть уверены, что после оформления заказа, доставки в Украину, вы получите именно то, что заказывали, в оговоренные сроки и европейского качества.
КУЛАЧКИ 2-ЧАСТНЫЕ МЯГКИЕ ДЛЯ 3-КУЛАЧКОВОГО ТОКАРНОГО ПАТРОНА 315 мм САМОЦЕНТРИРУЮЩИЕ p>
каталог номер: 07955
НАБОР ИЗ 3 ШТ. ШТУКИ.
СЕРИЯ SJA-11-315
КУЛАЧКИ ПОДХОДЯТ ПРАКТИЧЕСКИ ВСЕМ
ТОКАРНЫЕ ПАТРОНЫ, ИМПОРТНЫЕ ИЗ КИТАЯ.
НА ДРУГИХ АУКЦИОНАХ МЫ ЕСТЬ ВСЕ ТИПЫ:
ВНУТРЕННИЙ ЖЕСТКИЙ, ЖЕСТКИЙ ВНЕШНИЙ ВИД, МЯГКИЙ ТВЕРДЫЙ,
МЯГКИЙ ДВУХЧАСТНЫЙ.
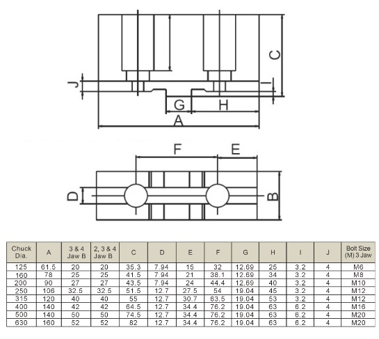
ЧЕРТЕЖ НИЖНЕЙ ЧАСТИ - ОСНОВАНИЯ:
ЧЕРТЕЖ ВЕРХНЕЙ ЧАСТИ:
Наиболее важные три измерения, которые следует учитывать, чтобы быть на 100% уверенным в том, что у вас есть держатель, в который можно установить продаваемые нами кулачки, это G, H, I.
Измерение G – следует проводить посередине зуба в самом толстом месте.
Измерение H – следует проводить посередине промежутка в самое толстое место.
Размер I - ширина челюсти.
Примечание: фото слева с маркировка G, H, I - только и только в иллюстративных целях, не ориентируйтесь на количество зубов или тип челюсти.
Г - 5,5 мм
В - 5,5 мм
I - 36 мм
Количество зубцов - 9 (у твердых 10)
НИЖЕ ТАК ВЫГЛЯДЯТ НАШИ ЧЕЛЮСТИ:
