ЩЕЛЕСТИ ЗОВНІШНІ ЖОРСТКІ 315 мм на імпорт.Ручка
- Время доставки: 7-10 дней
- Состояние товара: новый
- Доступное количество: 7
Заказывая «ЩЕЛЕСТИ ЗОВНІШНІ ЖОРСТКІ 315 мм на імпорт.Ручка» данный товар из каталога «Держатели и приспособления для крепления», вы можете получить дополнительную скидку 4%, если произведете 100% предоплату. Размер скидки вы можете увидеть сразу при оформлении заказа на сайте. Внимание!!! Скидка распространяется только при заказе через сайт.
КУЛАЧКИ ЖЕСТКИЕ СНАРУЖИ ДЛЯ 3-КУЛАЧКОВОГО ТОКАРНОГО ПАТРОНА 315 мм.
САМОЦЕНТРУЮЩИЕ
СЕРИЯ OJ-11-315
Номер по каталогу: 07989
КУЛАЧКИ ПОДХОДЯТ ПРАКТИЧЕСКИ ДЛЯ ВСЕХ ТОКАРНЫХ ПАТРОНОВ, ИМПОРТИРОВАННЫХ ИЗ КИТАЯ. p>
НА ДРУГИХ АУКЦИОНАХ У НАС ЕСТЬ ВСЕ ТИПЫ:
ЖЕСТКИЙ ВНУТРЕННИЙ, ЖЕСТКИЙ НАРУЖНЫЙ, МЯГКИЙ ТВЕРДЫЙ, МЯГКИЙ ДВУХЧАСТНЫЙ.
ЭТО НАБОР ИЗ 3.
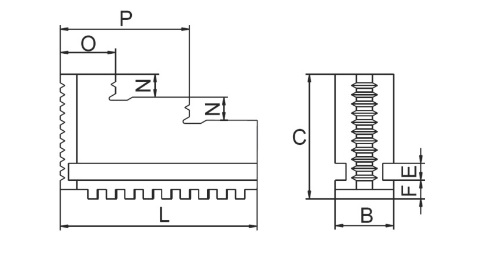
Ниже приведен технический чертеж с размерами:
В таблице ниже найдите патрон Dia.315
Наиболее важные три измерения, которые вам необходимо выполнить, чтобы быть на 100 % уверенным в том, что у вас есть держатель, в который можно установить продаваемые нами губки, — это G, H, I.
Измерение G – следует проводить посередине зуба в самом толстом месте.
Измерение H – следует проводить в середине промежутка самое толстое место.
Размер I - ширина челюсти.
Примечание: фото ниже с маркировкой G, H, I - только для справочных целей. Пожалуйста, не ориентируйтесь на количество зубьев.
G - 5,5 мм
H - 5,5мм
I - 36мм
Количество зубьев - 10
НИЖЕ ТАК ВЫГЛЯДИТ НАШИ ЧЕЛЮСТИ. ЭТО НАИМЕНОВАТЕЛЬНОЕ ФОТО. ПОЖАЛУЙСТА, НЕ ВЕРЬТЕ В КОЛИЧЕСТВО ЗУБОВ. У НАС ЕСТЬ ФОТО В КАТАЛОГЕ, КОТОРОЕ ИСПОЛЬЗУЕТСЯ ДЛЯ ВСЕХ РАЗМЕРОВ:
