ШУЛЬКОВИНТОВИЙ 400 мм 1605 + ГАЙКА + BK12 / BF12 ЧПУ
- Время доставки: 7-10 дней
- Состояние товара: новый
- Доступное количество: 8
Просматривая «ШУЛЬКОВИНТОВИЙ 400 мм 1605 + ГАЙКА + BK12 / BF12 ЧПУ», вы можете быть уверены, что данный товар из каталога «Редукторы» будет доставлен из Польши и проверен на целостность. В цене товара, указанной на сайте, учтена доставка из Польши. Внимание!!! Товары для Евросоюза, согласно законодательству стран Евросоюза, могут отличаться упаковкой или наполнением.
НОВЫЙ ПОЛНЫЙ КОМПЛЕКТ ЧПУ
В комплект входит:
- ШВП 1605 длиной 400мм (L=400)
- Гайка
- Корпус гайки
- подшипниковый блок BK12
- подшипниковый блок BF12
- муфта (соединитель) 6,35 х 10
.
Возможность замены блоков BK12/BF12 на блоки FK12/FF12.
Возможность замены сцепления 6,35x10 на сцепление 8x10, 10x10 или 10x14
Шариковинтовая передача изготавливается заводским способом для блоков BF12/BK12.
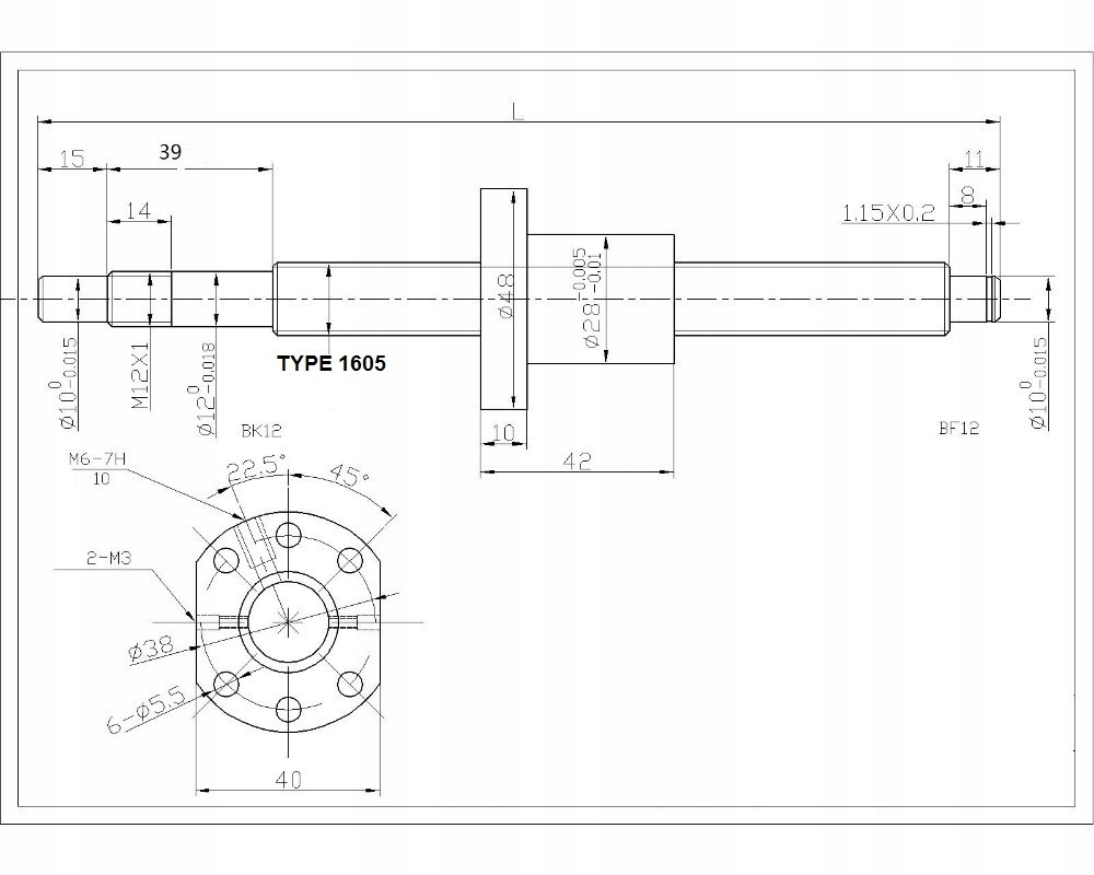
Параметры:
- диаметр винта 16 мм
- шаг винтов 5 мм
- длина винта L=400
В целом это отличный привод для всех станков с ЧПУ.
Приблизительные размеры указаны ниже.
Дополнительное фото версии L=400 мм ниже.
