Расчетное кольцо складывающееся.
Код: 14276222368
3022 грн
Цена указана с доставкой в Украину
Товар есть в наличии
КАК ЭКОНОМИТЬ НА ДОСТАВКЕ?
Заказывайте большое количество товаров у этого продавца
Информация
- Время доставки: 7-10 дней
- Состояние товара: новый
- Доступное количество: 100
Просматривая «Расчетное кольцо складывающееся.», вы можете быть уверены, что данный товар из каталога «Кольца» будет доставлен из Польши и проверен на целостность. В цене товара, указанной на сайте, учтена доставка из Польши. Внимание!!! Товары для Евросоюза, согласно законодательству стран Евросоюза, могут отличаться упаковкой или наполнением.
➡ рассеянное кольцо Складное складное кольцо FO30mm niddz ⬅ h2>
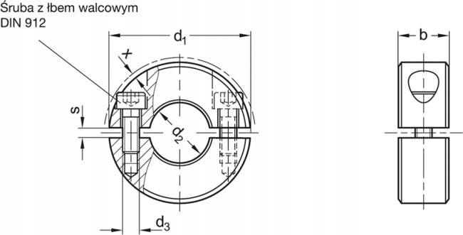
Параметры:
- d2: 30
- Ручка настройки для D1: GN 311-45-45-M6-18-SW
- D2H10 Рекомендуемая толлерат вала H11: B 30
- x Сторон b ± 0,2: 15
- d3: m 6
- d1: 55
- s: 3
- Материал: stain.
лыж: GN 707.2-55-b30-ni
➡ Фотографии продукта могут немного отличаться от фактического внешнего вида продукта. Например, могут быть иллюстративные фотографии, показывающие продукт с другим количеством зубов, другим диаметром или длиной.
✅ На аукционе мы продаем продукты, параметры которых размещены в верхней части описания продукта.
