SMS 100 O4WOM Гидравлический двигатель для гидролидера
- Время доставки: 7-10 дней
- Состояние товара: новый
- Доступное количество: 127
Просматривая «SMS 100 O4WOM Гидравлический двигатель для гидролидера», вы можете быть уверены, что данный товар из каталога «Гидравлическая система» будет доставлен из Польши и проверен на целостность. В цене товара, указанной на сайте, учтена доставка из Польши. Внимание!!! Товары для Евросоюза, согласно законодательству стран Евросоюза, могут отличаться упаковкой или наполнением.
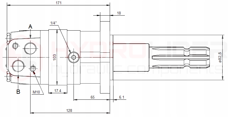
SMS -гидравлический двигатель в наборе с креплением и щитом h1>
поглощение: 100 см3/ rev; Роллер: PTO 1.3/8; Оборот: 750obr/min
Производство:
Оригинальный продукт гидролидера, символ: 1.37.20.101.1
Приложение:
широко используется в гидравлических системах в сельском хозяйстве, фруктах и планировании, лесном хозяйстве, строительстве и широко понятном Индустрия. в конвейерную ленту
Технические характеристики:
- Направление вращения: двойное
- Внутренние потоки в теле: 1/2 "
- Порты: соединение со стороны
- Материал корпуса: чушь
Максимум. непрерывный:
- Максимальный поток: 75 л/мин
- Максимальная скорость вращения: 750 об/мин
- Максимальное давление: 17 МПа (170 бар)
- Максимальная мощность: 15,5 кВт
- Максимум: 23.5 Дана (235 (235 (235: Nm)
Максимальные параметры во временной работе Макс. 6 сек/мин:
- Максимальный поток: 95 л/мин
- Максимальная скорость вращения: 950 об/мин. KW
- Максимальный крутящий момент: 39 Danm (390 нм)
Рекомендуется типами масла Agricola:
- Редкое высококачественное масло: агроловое масло. 32
- Допустимая температура окружающей среды: от -40ºC до +80ºC
- Допустимая температура масла: -15ºC до +80ºC
Рекомендуемый диапазон температуры масла:
