ТОКАРНИЙ ПАТРОН 4 ЧАСТИНИ НЕЗАЛЕЖНА 100мм
- Время доставки: 7-10 дней
- Состояние товара: новый
- Доступное количество: 2
Просматривая «ТОКАРНИЙ ПАТРОН 4 ЧАСТИНИ НЕЗАЛЕЖНА 100мм», вы можете быть уверены, что данный товар из каталога «Держатели и приспособления для крепления» будет доставлен из Польши и проверен на целостность. В цене товара, указанной на сайте, учтена доставка из Польши. Внимание!!! Товары для Евросоюза, согласно законодательству стран Евросоюза, могут отличаться упаковкой или наполнением.
4-КУЛАЧКОВЫЙ ТОКАРНЫЙ ПАТРОН 100 мм.
НЕЗАВИСИМАЯ РЕГУЛИРОВКА КУЛАЧКОВ.
СЕРИЯ К72-100
Номер по каталогу: 07979
торговая марка - ФУЭРДА. ИМПОРТНЫЙ ПРОДУКТ.
Производитель:
TAIZHOU ZHEDONG MACHNIE Tools ACCESSORY CO., LTD
NO.271 HONGXI ROAD, Цзячжи, район Цзяоцзян, город Тайчжоу
p>p>
ЧЖЭЦЗЯН, КИТАЙ.
- СОВЕРШЕННО НОВЫЙ.
- РЕВЕРСИВНЫЕ ЧЕЛЮСТИ В КОМПЛЕКТЕ ЛЕВАЯ + ПРАВАЯ
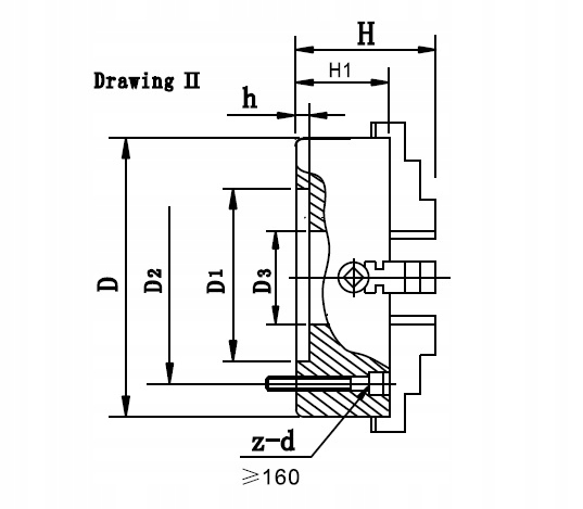
Ниже приведен технический чертеж с размерами. Размер D-100 указан в таблице:
D — РАЗМЕР РУЧКИ
D1 — ДИАМЕТР ЗАМКА
D2 – РАССТОЯНИЕ ВИНТОВ
D3 – ПРОХОДНОЙ ДИАМЕТР
H1 – ТОЛЩИНА
H – ТОЛЩИНА, ВКЛЮЧАЯ КУЛАЧКИ
