Tokarski Randle 3 Jaw 160 мм Морс 4
- Время доставки: 7-10 дней
- Состояние товара: новый
- Доступное количество: 3
Заказывая «Tokarski Randle 3 Jaw 160 мм Морс 4» данный товар из каталога «Держатели и приспособления для крепления» вы можете быть уверены, что после оформления заказа, доставки в Украину, вы получите именно то, что заказывали, в оговоренные сроки и европейского качества.
160 -миллиметровый ручка Tokarski с переходом на Morse 4
(набор включает в себя 2 набора челюстей:
Внешний и внутренний, а также ключ и винты, исправляющие набор)
Нет. Каталог: 10945 + 07491
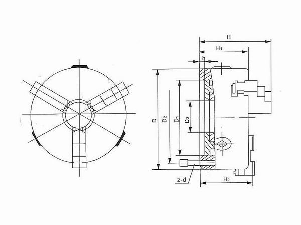
Рядом с ним мы даем технический рисунок с размерами, к которым объединяется наш переход:
d - размер ручки
d1-диаметр блокировки
D2-Store Vint
d3- Диаметр полета
h1 -gruby
h - толщина с челюстями
Кроме того, вспомогательный чертеж для проверки совместимости с помощью охотничьего щита, на чертеже ручка, показанная с задней части:
для размера 160 мм
a - 142 мм
e - 130 мм
