Top Racing Evolution 2t 50 CCM Peugeot Ludix Crankshare
- Время доставки: 7-10 дней
- Состояние товара: новый
- Доступное количество: 5
Просматривая «Top Racing Evolution 2t 50 CCM Peugeot Ludix Crankshare» данное изделие из «Коленчатые валы» вы можете быть уверены, что после оформления заказа, доставки в Украину, вы получите именно то, что заказывали, в оговоренные сроки и европейского качества.
Top Racing Evolution 2t 50 CCM Peugeot Ludix Speedfight
Код продукта: WAJ603145
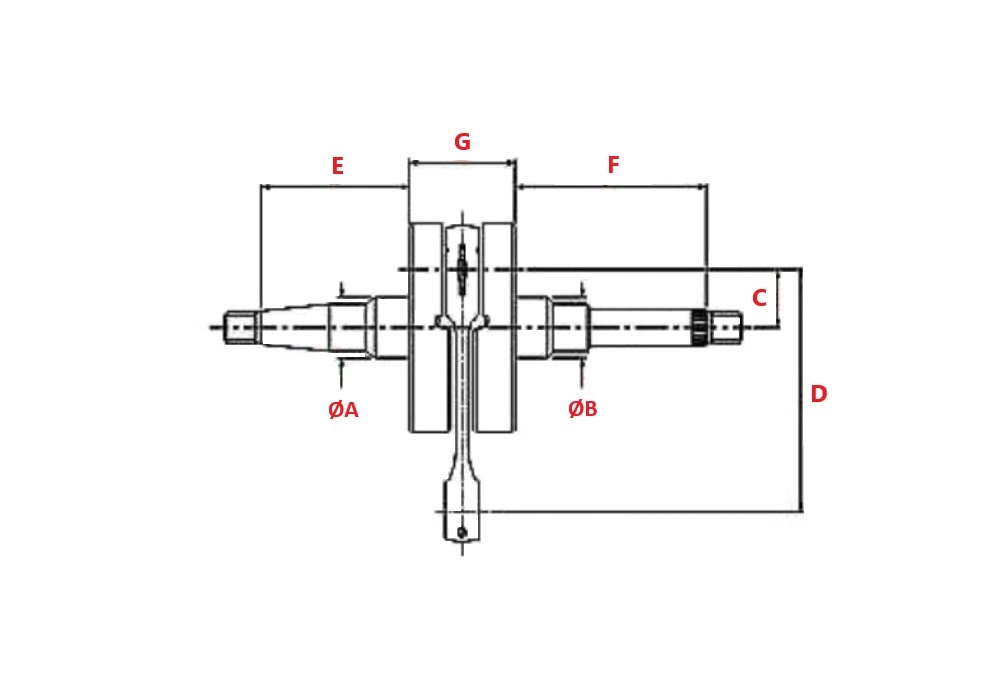
Характеристики Продукт:
· Карбийский вал Top Racing/Jasil для двигателей 2t 50 CCM
· Самый высокий Замена качества, не отличающаяся от исходной части
· Коронный верхний подшипник: 12x16x16 мм
· Размеры:
a - 20,00 мм
b - 20,00 мм
c - 20,00 мм
d - 80,00 мм
e - 77,00 мм
f - 91,30 мм
g - 43,00 мм
· Производится Согласно стандартам качества ISO
Приложение : peugeot ludix, new vivcials, jetforce, Speedfight Подробности на вкладке »подходит к " и таблице ниже
jasil - португальская компания, занимающаяся обработкой металлов, Основной деятельностью которой является производство деталей и аксессуаров для мотоциклов и скутеры. 70 -летний опыт и стремление к совершенству, является результатом постоянные инвестиции в новые технологии, разработка новых продуктов, уход за Качество с концентрацией на конечном получателе
