Пылесос Karcher NT 30/1 Me 1500W с турбинным двигателем
- Время доставки: 7-10 дней
- Состояние товара: новый
- Доступное количество: 1
Заказывая «Пылесос Karcher NT 30/1 Me 1500W с турбинным двигателем» данный товар из каталога «Двигатели и аксессуары», вы можете получить дополнительную скидку 4%, если произведете 100% предоплату. Размер скидки вы можете увидеть сразу при оформлении заказа на сайте. Внимание!!! Скидка распространяется только при заказе через сайт.
Предмет нашего предложения — двигатель для пылесоса.
VC8
- 230В
- 1500Вт
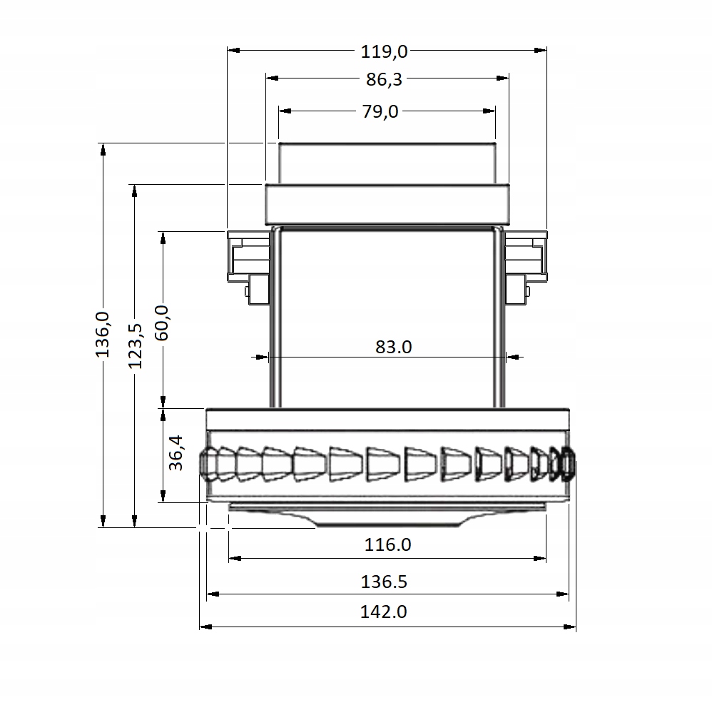
Подробные размеры в фотогалерее.
Для использования в:
- NT 30/1 Me Classic
Проверку следует проводить путем определения размеров старого двигателя и его мощности. Новый двигатель должен поместиться в камере пылесоса. Пылесосы оснащены различными типами турбин в зависимости от серии и года выпуска устройства, поэтому внимательно проверьте размеры двигателя и сравните их по схеме, включенной в предложение.
При покупке учитывайте стоимость доставки.
Аукцион, указанный нами, предназначен для замены, названия компаний, модели и типы указаны только в информационных целях.
Время доставки не включено. Время доставки означает время, в которое заказ будет отправлен.
Пожалуйста, прочитайте и поймите приведенную выше информацию.
