УЛОВЛЮВАЧ ВЕРХНЬОГО ХВІРТА + РУЧКА МОНТАЖ АНТРАЦИТ
- Время доставки: 7-10 дней
- Состояние товара: новый
- Доступное количество: 9991
Просматривая «УЛОВЛЮВАЧ ВЕРХНЬОГО ХВІРТА + РУЧКА МОНТАЖ АНТРАЦИТ», вы можете быть уверены, что данный товар из каталога «Ручки и хомуты» будет доставлен из Польши и проверен на целостность. В цене товара, указанной на сайте, учтена доставка из Польши. Внимание!!! Товары для Евросоюза, согласно законодательству стран Евросоюза, могут отличаться упаковкой или наполнением.
ВЕРХНЯЯ НАПРАВЛЯЮЩАЯ С РОЛИКАМИ, ЗАЩЕЛКА ОТДВИЖНЫХ ВОРОТ + МОНТАЖНЫЙ КРОНШТЕЙН АНТАРХИТ (RAL 7016) ❗
⭐Важнейшие характеристики изделия:
➡️Материал: сталь+пластик
➡️Антикоррозийная защита: оцинковка+ порошковый лак
➡️ Вес комплекта: 2,00 кг
➡️ Товар из польской дистрибуции
➡️ Ручка/уловитель ворот:
✅ Стабилизирует ворота после закрытия, исключая боковые движения.
✅ Изготовлен из массива листовой металл толщиной . 5 мм и оснащен резиновым бампером, который помогает снизить удары.
✅ Имеет два резиновых ролика, направляющих ворота, что снижает шум при закрывании. p>
✅ На задней стенке имеется монтажное отверстие и резиновый бампер.
✅ Изделие оцинковано, с порошковым покрытием цвета антрацит (RAL 7016).
b>
✅ Предназначен для профилей 40, 60 и 80 мм (1 шт. на выбирайте из).
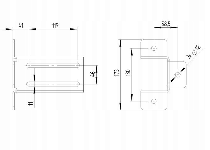
➡️ Технический чертеж
➡️ Монтажный кронштейн:
✅ Кронштейн изготовлен из цельного листового металла толщиной 4 мм.
✅ Имеет три крепежных отверстия и длинные «надрывы», позволяющие подгонять его под заданные ворота при установке.
✔ Изделие оцинкованное, с порошковым покрытием антрацит (RAL 7016).
