ВІДВОРНИЙ ДИСК 315мм модель FLS-315/C8 Гвинти
- Время доставки: 7-10 дней
- Состояние товара: новый
- Доступное количество: 3
Заказывая «ВІДВОРНИЙ ДИСК 315мм модель FLS-315/C8 Гвинти» данный товар из каталога «Держатели и приспособления для крепления» вы можете быть уверены, что после оформления заказа, доставки в Украину, вы получите именно то, что заказывали, в оговоренные сроки и европейского качества.
ПРИВОДНОЙ ДИСК ДЛЯ 3-х или 4-х КУЛАЧКОВОГО ПАТРОНА 315мм.
модель FLS-315/C8
Номер по каталогу: 08521
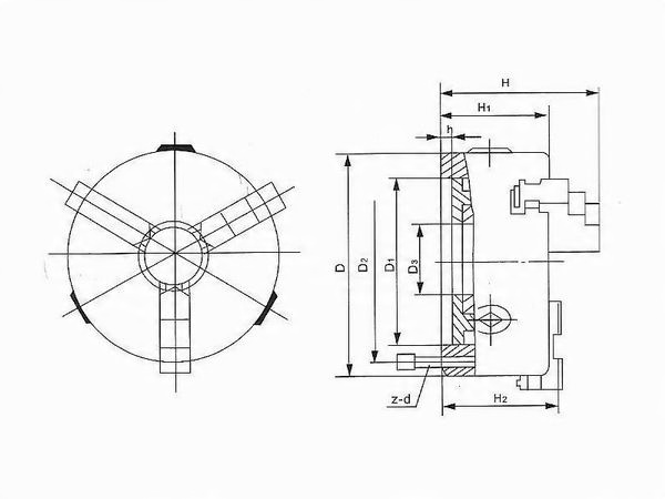
Технический чертеж ведущего диска:
Поскольку приведенная ниже таблица применима ко всем типам и размерам, в таблице ниже в ПАТРОНЕ найдите значения - 315. В столбце ДИАМЕТР, а в следующем столбце Размер конуса - 8. Этот аукцион предназначен для этого ТИПА.
ДИАМЕТР ПАТРОНА - размер ручки 315 мм
БЕЗ ШПИЛЬКОВ - КОЛИЧЕСТВО КРЕПЛЕННЫХ ВИНТОВ
Диаметр отверстия C - ........ - место расточки под токарный станок, это диаметр конуса в самом узком месте
D - ........ .. - диаметр, измеренный по диагонали оси винта - со стороны токарного станка
Диаметр А - Диаметр диска
Б - Толщина диска с выступающими конусами.
B1- Толщина диска основного элемента.
G - ...... - место расточки под токарный станок, это диаметр конуса в самом широком месте
Наиболее важными размерами являются C или опционально G – то, что вам легче измерить, и размер D – это то, что мы измеряем при установке на диск токарного станка. Ниже приведен рисунок держателя, подходящего к этому щитку.
А - шаг болтов крепления шпинделя токарного станка - 171,40мм
Макс - размер конуса в максимальном месте - 139,731
Мин - размер конуса в минимальном месте - 136,219
C - диаметр диска - 315мм
B - толщина диска - 42мм
Привожу характеристики ручки, к которой подходит щиток.
СМОТРИТЕ, пожалуйста, размер в таблице 315, к которому подходит щиток:
Технический чертеж с размерами:
D - РАЗМЕР РУКОЯТКИ
D1 - ДИАМЕТР ЗАМКА ДЛЯ ЗАВОДНОГО ДИСКА
D2 - РАСПОЛОЖЕНИЕ ПРИСОЕДИНИТЕЛЬНЫХ ВИНТОВ К ЗАВОДНОМУ ДИСКУ
D3 - ПРОХОДНОЙ ДИАМЕТР
H1 - ТОЛЩИНА
H - ТОЛЩИНА С КУЛАЧКАМИ
