KBPC5010 50A 1000V КВАДРАТНИЙ МОСТ ВИПРИКМУВАЛЬ
- Время доставки: 7-10 дней
- Состояние товара: новый
- Доступное количество: 17
Приобретая «KBPC5010 50A 1000V КВАДРАТНИЙ МОСТ ВИПРИКМУВАЛЬ» данный товар из каталога «Мостики» вы можете быть уверены, что после оформления заказа, доставки в Украину, вы получите именно то, что заказывали, в оговоренные сроки и европейского качества.
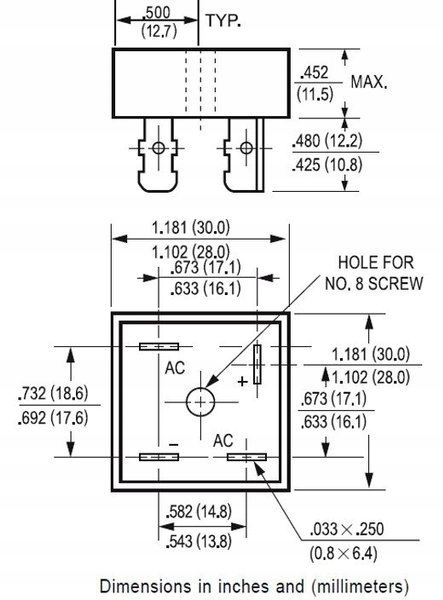
Мостовой выпрямитель KBPC5010, 50 А, 1000 В
Мостовой выпрямитель KBPC5010 представляет собой усовершенствованный электронный компонент, который позволяет преобразовывать переменный ток в постоянный. Это однофазная версия мостового выпрямителя, разработанная для приложений с большой токовой нагрузкой. Номинальный ток составляет до 50 А, а обратное напряжение достигает 1000 В, что делает этот мостовой выпрямитель идеальным решением для проектов с высоким потреблением тока.
Название Мостовой выпрямитель
1-фазный мостовой выпрямитель исполнение
Обозначение KBPC5010
Номинальный ток 50А
Обратное напряжение 1000В
Квадратная перемычка
Монтажные разъемы
p>
Тип корпуса ФМ 28,3х28,3х11мм
Разъемы 6,3х0,8мм
Выпрямительный мост имеет квадратную форму, что облегчает его установку и интеграция в электронные системы. Он адаптирован для установки с помощью разъемов, что обеспечивает простое и быстрое подключение к другим электронным компонентам.
Корпус типа ФМ размерами 28,3х28,3х11мм обеспечивает защиту и долговечность выпрямительного моста. Выводы моста выполнены в виде разъемов размером 6,3 х 0,8 мм, что облегчает подключение к другим элементам системы.
Выпрямительный мост KBPC5010 широко используется в различных электронных приложениях, таких как в качестве источников питания, инверторов, регуляторов напряжения, устройств управления и многого другого. Благодаря своим параметрам этот выпрямительный мост обеспечивает надежное и эффективное преобразование переменного тока в постоянный.
Приглашаем Вас ознакомиться с другими нашими привлекательными предложениями! Мы предлагаем широкий выбор высококачественной продукции, способной удовлетворить самые разные потребности.
Спасибо за интерес к нашей продукции и с нетерпением ждем вашего следующего визита!
