ВІЗОК РОЛИК КОЛЕСА ПРОФІЛЬ 60x60x3.5 ВОРОТ R3MM60
- Время доставки: 7-10 дней
- Состояние товара: новый
- Доступное количество: 100000
Просматривая «ВІЗОК РОЛИК КОЛЕСА ПРОФІЛЬ 60x60x3.5 ВОРОТ R3MM60» данное изделие из «Тележки и ролики» вы можете быть уверены, что после оформления заказа, доставки в Украину, вы получите именно то, что заказывали, в оговоренные сроки и европейского качества.
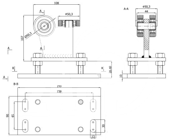
Тележка для профиля 60х60х3,5
Предлагаемые тележки изготовлены из прочных и стойких материалов, что обеспечивает длительную и эффективную эксплуатацию. Тележки, имеющиеся в нашем предложении, оцинкованы и поэтому защищены от коррозии. Использование полиамидных колес обеспечивает бесшумную работу.
Технические характеристики
- символ: Р-3ММ-60
- к профиль: 60x60x3,5
- допустимая нагрузка: 200 кг
- диаметр ролика: 52 мм< /li>
- Тип ролика: 3x металлические
- Вес: 3,50 кг
- Производитель: Zabi ( Польша)
Предлагаемый рулон предназначен для профилей внешними размерами 60х60 мм и толщиной стенки 3,5 мм.
Рулон идеален для использования в конструкция подвесных элементов, ворот и подвесных дверей с использованием рельса
Точность отдельных деталей и их сборки влияет на работу тележки в опорной направляющей ворот, обеспечивая отсутствие прогиба ворот от своей оси.
Тележка собирается путем приваривания тележки к металлической конструкции или с помощью саморезов. Это зависит от типа тележки.
Доступные типы портальных тележек: фиксированные, регулируемые по высоте, качающиеся, регулируемые качающиеся и плоские.
Ролики бывают оцинковани, таким образом, защищен от коррозии
