Opel Corsa D E, Fiat Stilo, Ford Ka Рукав рулевой передачи
Код: 13838353587
1067 грн
Цена указана с доставкой в Украину
Товар есть в наличии
КАК ЭКОНОМИТЬ НА ДОСТАВКЕ?
Заказывайте большое количество товаров у этого продавца
Информация
- Время доставки: 7-10 дней
- Состояние товара: новый
- Доступное количество: 1
Заказывая «TULEJA PRZEKŁADNI KIEROWNICZEJ OPEL CORSA D E , FIAT STILO, FORD KA» данный товар из каталога «Монтажные детали» вы можете быть уверены, что после оформления заказа, доставки в Украину, вы получите именно то, что заказывали, в оговоренные сроки и европейского качества.
Новый рукав, ведущий коробку передач/магнит,
Часть:
opel corsa d 2006-
opel corsa e 2014-
Fiat Stilo 2001-07
2016-
______________________________________________________________________
Фонд передачи/рулевого снаряжения с электроэнергией Коробка передач, очень распространенная причина - это сломанный (изношенный) ведущий рукав. Искусство! l-m6028
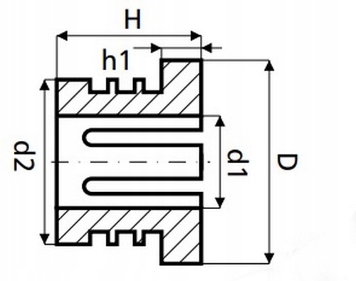
Размеры (в мм):
- d1 : 24
- d2 : 33
- d: 36,8
- h1 . 4.9
- h : 23,5
_____________________________________________________________________________ упакован.
