Vub 3/8 клапан, защищающий от растрескивания кабеля
- Время доставки: 7-10 дней
- Состояние товара: новый
- Доступное количество: 1340
Просматривая «Vub 3/8 клапан, защищающий от растрескивания кабеля» данное изделие из «Гидравлические клапаны» вы можете быть уверены, что после оформления заказа, доставки в Украину, вы получите именно то, что заказывали, в оговоренные сроки и европейского качества.
защита гидравлического клапана
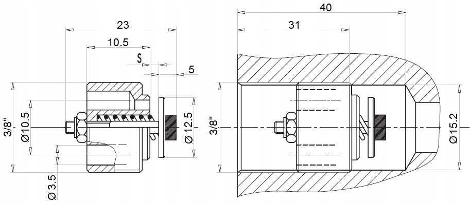
Vuba 3/8 "картридж
Производство:
Оригинальный итальянский продукт от Oleodinamica Marchesini, символ: Vub 3/8"; 1.35.45.010
Применение:
широко используется в гидравлических системах в сельском хозяйстве, садах, лесном хозяйстве, строительстве и широко понятной промышленности. загрузка.
защищает гидравлические цилиндры, которые подвергаются воздействию высокого давления. Он закрывает поток масла в случае разрыва кабеля, защищая от потери масла в цилиндре и в трейлерах, прежде чем внезапный покинул ящик для разгрузки.
Принцип действия:
Сразу после растрескивания импульс масла, который находится в приводе, вызывает клапан и останавливает масло. Привод остается в положении, в котором он находился во время провода. Таким образом, клапан дает время для замены поврежденного кабеля и возврата на работу без серьезных финансовых потерь и ущерба и связано с загрязнением окружающей среды.
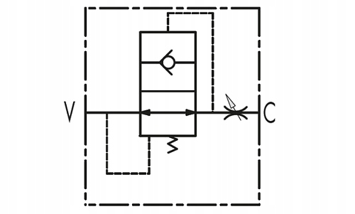
соединение:
Подключите V к линии питания и C к приемнику, например, гидравлический цилиндр.
интеграция:
Для правильной работы клапана VUB необходимо специальное тело (фото):
Technical data:
Maximum flow: 50 l/min External threads: 3/8 "[BSP] Corps material: polished steel Maximum pressure: 350 bar Weight: 0.012 kg
temperature range and oil type:
Температура масла: от -15 C до +80 C Тип масла: гидравлическое масло на основе минерального масла
Гидравлическая диаграмма клапана Vuba Vuba (фото):
