Двойная цепная шестерня 2x25 1/2 дюйма для цепи 08B-2
Код: 15600493840
1350 грн
Цена указана с доставкой в Украину
Товар есть в наличии
КАК ЭКОНОМИТЬ НА ДОСТАВКЕ?
Заказывайте большое количество товаров у этого продавца
Информация
- Время доставки: 7-10 дней
- Состояние товара: новый
- Доступное количество: 87
Оплачивая «Загартована подвійна зірочка 2x25 зубів 1/2" для ланцюга 08B-2» данный товар из каталога «Удобрение», вы можете получить дополнительную скидку 4%, если произведете 100% предоплату. Размер скидки вы можете увидеть сразу при оформлении заказа на сайте. Внимание!!! Скидка распространяется только при заказе через сайт.
Double Chain Wheel25Z 1/2 "08 B-2
Производство:
Оригинальный продукт бренда гидролидера, символ: 2.00.27.01. 2.08 >
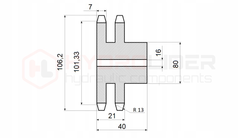
Технические данные:
- Тип колеса: двойной
- Размер (Тип) Цепь: 08 B-2 < LI> Шкала цепи: 1/2 "(12,7 мм)
- Внутренняя ширина цепи: 7,75 мм
- Диаметр роллера: 8,51 мм
- Радиус зуба: 13 мм
- Ширина зуба: 7 мм
- Количество зубов на одном колесе: 25
- Рабочий диаметр (b): 101,33 мм
- Диаметр на открытом воздухе (а): 106,33 мм
- Общая ширина (c): 40 мм
- ПАСТЕЙ: ОДИН -СИДА
- Диаметр хаба (e): 80 мм
- Яма в концентраторе: да
- Диаметр отверстия (d): 16 мм
- Тип отверстия: гладкий
- Материал: сталь C45
