Датчик уровня чистой воды, индикатор, счетчик CBE MTT для кемпера
- Время доставки: 7-10 дней
- Состояние товара: новый
- Доступное количество: 49
Оплачивая «Датчик уровня чистой воды, индикатор, счетчик CBE MTT для кемпера», вы можете быть уверены, что данное изделие из каталога «Водная установка» будет доставлено из Польши и проверено на целостность. В цене товара, указанной на сайте, учтена доставка из Польши. Внимание!!! Товары для Евросоюза, согласно законодательству стран Евросоюза, могут отличаться упаковкой или наполнением.
Зонд уровня чистой воды, индикатор счетчика CBE MTT на кемпере
Датчик уровня чистой воды для кемпера, фургона, дома на колесах или лодки
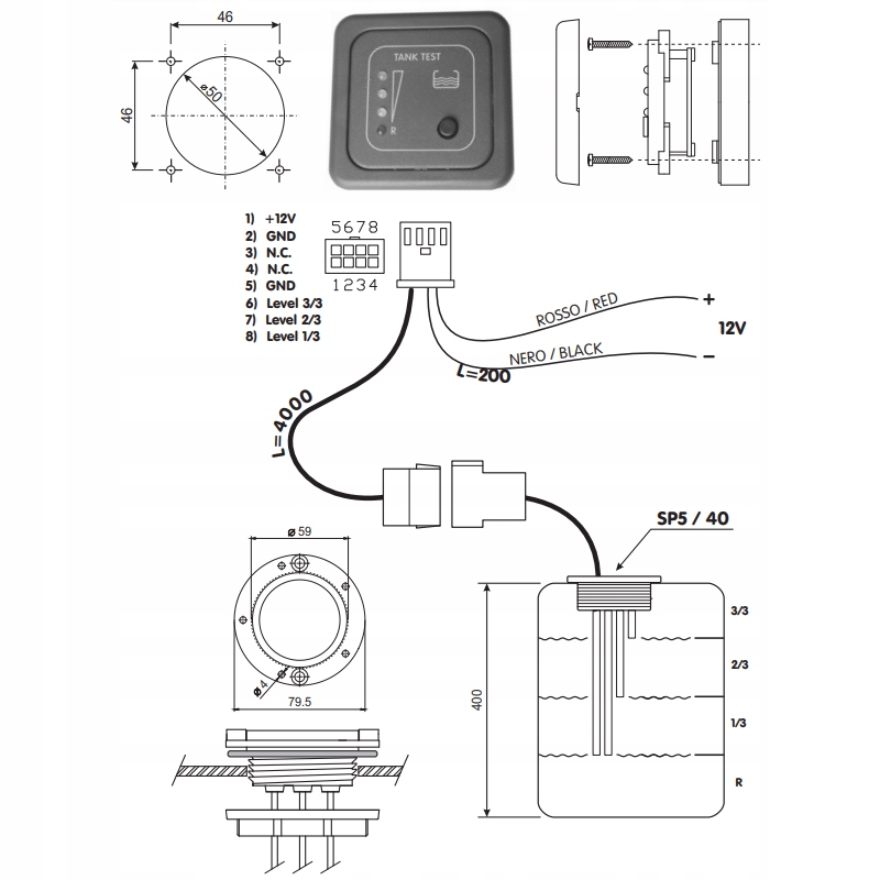
Комплект CBE для измерения уровня в резервуаре для пресной воды, состоящий из панели проверки резервуара с цветными светодиодными индикаторами, датчика резервуара и жгута проводов. Этот комплект идеально подходит, если вы модернизируете резервуар для воды или у вас нет устройства контроля уровня в вашей системе управления 12 В. Светодиоды загораются при нажатии кнопки тестирования и указывают ПОЛНЫЙ, 2/3, 1/3 и Резерв.
Этот комплект подходит для резервуаров глубиной до 400 мм, а испытательная панель совместима с модульной системой выключателей и розеток CBE.
Зонд поставляется с прокладкой и крепежной гайкой для установки в отверстие диаметром 60 мм в резервуаре для воды, а длина жгута кабелей, соединяющего датчик с испытательной панелью, составляет около 4 м.
Примечание. При использовании с резервуарами глубиной менее 400 мм зонд можно обрезать следующим образом:
Самый короткий зонд – НЕ разрезайте (обнаруживает полный бак)
Зонд средней длины — обрежьте его примерно до 1/3 глубины резервуара
Два самых длинных щупа — оба следует обрезать примерно на 2/3 глубины резервуара.
В комплект входит новейшая панель, видимая на второй фотографии, серого цвета.
Бренд: CBE, сделано в Италии
Продюсер: CBE
