15 м WS2811 RGB 24 В комплект освітлення сходів
- Час доставки: 7-10 днів
- Стан товару: новий
- Доступна кількість: 100
Заказывая «15 м WS2811 RGB 24 В комплект освітлення сходів» данный товар из каталога «Светодиодные полосы», вы можете получить дополнительную скидку 4%, если произведете 100% предоплату. Размер скидки вы можете увидеть сразу при оформлении заказа на сайте. Внимание!!! Скидка распространяется только при заказе через сайт.
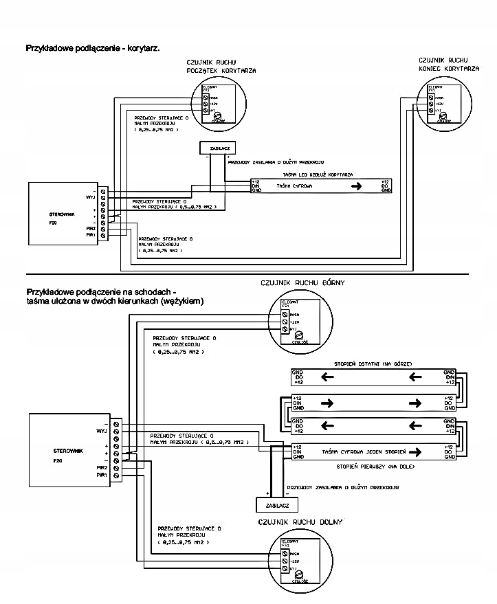
Предмет продажу комплект сходи та коридор. Використовуючи сходовий та коридорний контролер польського виробництва та цифрову стрічку, ви легко отримаєте дуже ефектне анімоване підсвічування сходів, коридорів чи сходів.
У набір входять усі необхідні компоненти:
- Цифрова світлодіодна стрічка 15м WS2811 RGB 24V 60d/m PRO,
- F20 RGB сходовий та коридорний контролер Elegant ,
- 2 x датчик руху FS1 (білий або чорний - колір вказуйте при замовленні), ul>
- Mean Well ERPF-400-24 24V джерело постійної напруги, b>
- кабель RGB 22,5 м 4 x 0,35 мм.
- налаштування пульта дистанційного керування + настінний тримач для пульта дистанційного керування,
Усі компоненти характеризуються високою якістю виготовлення та не створюють труднощів при самостійному монтажі.
На контролері ви отримаєте ефект анімованих/розгорнутих кроків у будь-якому кольорі RGB + білий (отриманий з комбінації RGB) і багато інших ефектів. Контролер також може працювати як освітлення коридору, серед іншого. завдяки функції ліній, що розширюються, суцільних ліній і багатьох інших ефектів.
Використовуючи сходовий контролер F20 і цифрові стрічки, ми можемо легко створити анімоване освітлення сходів, коридорів або сходів.
Сходовий контролер Коридор має багато динамічних ефектів (перетікання кольорів, веселка, сходи, що розширюються/згортаються тощо) і статичних ефектів (ми можемо досягти ефекту підсвічування окремих сходинок). У комплекті з контролером є два датчики руху FS1, які по черзі вмикають/вимикають освітлення.
Основні переваги коридорного сходового контролера F20 - дуже легкий монтаж (послідовне з'єднання цифрової стрічки + два підключених сповіщувача до контролера) і дуже зручна конфігурація за допомогою сенсорного пульта дистанційного керування (встановіть ширину та кількість кроків, виберіть динамічну/статичну програму, швидкість, час роботи, колір, інтенсивність освітлення).
Технічні характеристики світлодіодної стрічки:
- напруга: 24 В постійного струму
- потужність: 14,4 Вт / м
- світлий колір: RGB
- якість: професійна
- друкована плата: PCB з подвійною мідною підкладкою 2oz
- ступінь захисту: IP20
- кількість діодів: 60d/m
- тип діода: SMD5050
- тип діода: EPISTAR
- кут променя: 120 градусів
- термін служби: 50 000 год
- колір підкладки: біла друкована плата
- ширина: 10 мм
- клейка основа: міцний самоклеючий шар 3M 300LSE
- можливість різання: кожні 10 см (6 діодів)
Основні переваги наших професійних цифрових стрічок 24 В:
- Завдяки використанню керуючих мікропроцесорів, кожною секцією на світлодіодній смузі можна керувати повністю незалежно.
- Ми можемо досягти безпрецедентних динамічних і статичних програм, плавних кольорів, переходів кольорів, анімації та багатьох інших можливостей.
- >товста мідна підкладка вагою 2 унції забезпечує ефективне розсіювання тепла та збільшує термін служби діодів
- вибрані діоди гарантують яскраві та насичені кольори та високу яскравість
- фірмова клейка підкладка 3M гарантує міцне приклеювання стрічки на поверхню
Контролер для сходів і коридорів Elegant F20
- Розміри: 60 x 84 x 30 мм
- Напруга живлення: 5...12 В< /li>
- Функція анімованого підсвічування сходів RGB+білий (розгортання сходинок)
- Функція анімації підсвічування коридорів (розгортання лінії)
- підтримка 1000 пікселів RGB (50 метрів цифрової стрічки 12 В, 60 діодів/метр)
- доступна версія для цифрових стрічок RGBW і одноколірних MONO
- працює з датчиками руху
- li>
- анімація відтворюється відповідно до напрямку руху людини
- функція постійного підсвічування, коли люди не рухаються
- пульт дистанційного керування
- частота дистанційного керування: 2,4 ГГц, живлення від 2 батарейок ААА
Контролер також може працювати в режимі коридору. Залежно від того, з якого боку коридору ми заходимо, контролер запускатиме ефект розширюючої світлової лінії.
Відбиваючий датчик руху FS1 (2 штуки в комплекті з контролером)
- виявляє людей, які піднімаються по сходах або проходять коридором (після відсікання невидимого променя, датчик активований)
- датчик використовує надійний датчик відбиття від Sharp
- регульована чутливість активації (відстань, на якій він має реагувати)
- краща продуктивність, ніж популярний PIR-датчик
- напруга живлення: 12 В
- пристосований для встановлення в монтажну коробку 60 мм (з гвинтами)
- доступний у білому або чорному кольорах (будь ласка, вкажіть вибраний колір у повідомленні продавцю)
Джерело живлення Mean Well ERPF-400-24
- постійна вхідна напруга
- вихідна напруга 24 В постійного струму
- вхідна напруга 90-264 В змінного струму, 127-370 В постійного струму
- регулювання напруги 20-26,4 В
- струм 16,7 А
- потужність 400,8 Вт
- розміри 220,4 x 130 x 48 мм
- захист від перевантаження, перегріву, підвищення напруги, короткого замикання
- стійкість до погодних умов
- додаткові функції PFC активний < /li>
- Сертифікати CE, RoHS
Зонний пульт MiLight FUT092
має широкий спектр функцій. Він може підтримувати до 4 незалежних зон освітлення. За допомогою пульта ми можемо змінювати статичні та динамічні програми, приглушувати та посилювати світло, змінювати швидкість програми та багато іншого. Можливість призначити кілька приймачів на один канал.
- Живлення від батарейок 2xAAA
- сенсорні кнопки
- радіоуправління 2.4GHz
- можливість налаштування до 4 зон
- динамічні та статичні програми
- можливість встановити будь-який колір з палітри RGB
- плавне налаштування білого кольору - теплий/нейтральний/ холод (CCT)< /li>
Кабель RGB – це 4-жильний кабель, який ідеально підходить для підключення багатоколірних світлодіодних стрічок.
Він має 3 дроти, що відповідають кольори p>
- R - червоний
- G - зелений
- B - синій
Четвертий дріт це кабель живлення чорного кольору.
Кабель має поперечний переріз 4 x 0,35 мм, тому він не викликає надмірних перепадів напруги в установці. Таким чином, ділянки можуть бути набагато довшими, не викликаючи нерівномірного освітлення стрічки.
Відео із зразками ефектів. Скопіюйте та вставте посилання, надане у вашому веб-переглядачі
https://youtu.be/AbFPt0YjC3E
Завдяки контролеру ми можемо легко створити сучасне та інноваційне освітлення для сходів чи коридорів. Збірка всього набору не становить особливих проблем. З'єднуємо стрічки послідовно, пам'ятаючи про дотримання правильного напрямку сигналу (стрілки на стрічці).До контролера підключаємо лише три дроти (сигнал, плюс, маса), що істотно спрощує весь монтаж.
На якісних стрічках HighLight використовуються компоненти найвищої якості. До них належать окремі діоди, резистори та подвійна або потрійна мідна основа. Завдяки цьому ми отримуємо найвищу якість світла та подовжений термін служби стрічки, який може досягати 50 000 годин. Виробництво здійснюється на верстатах, які забезпечують точну та естетичну збірку.
