2-СЕКЦІЙНИЙ ГІДРАВЛІЧНИЙ ДИСТРИБ'ЮТОР 40 л ДАЙВЕР
- Час доставки: 7-10 днів
- Стан товару: новий
- Доступна кількість: 46
Оплачивая «2-СЕКЦИОННЫЙ ГИДРАВЛИЧЕСКИЙ РАСПРЕДЕЛИТЕЛЬ 40L DIVER» данный товар из каталога «Разделители», вы можете получить дополнительную скидку 4%, если произведете 100% предоплату. Размер скидки вы можете увидеть сразу при оформлении заказа на сайте. Внимание!!! Скидка распространяется только при заказе через сайт.
2-СЕКЦІЙНИЙ ГІДРАВЛІЧНИЙ КОЛЕКТОР 40 Л З ПРОБКОВОЮ СЕКЦІЄЮ
КОД SKRAW MET: [1841]
Виробник: SM-G (SKRAW MET GROUP)
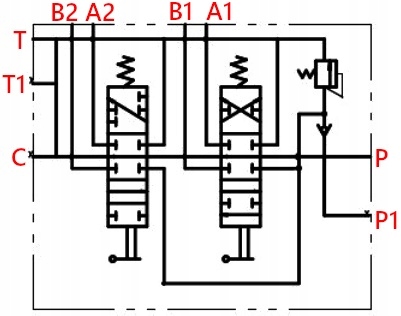
Високоякісний моноблочний колектор характеризується компактною конструкцією, стабільною роботою та високою універсальністю.
Забезпечує керування одним циліндром односторонньої дії та іншим циліндром подвійної дії циліндр. p>
У другий отвір секції загвинчено металеву пробку.
Коли однобічний циліндр вільно падає, потік масла надходить вихід насоса в цей час не блокується цим циліндром.
Можливе послідовне підключення до існуючої системи.
Застосування:
плунжерна секція особливо корисна в фронтальних навантажувачах TUR з односторонніми циліндрами, які використовуються для підйому основної рами.
Колектор ідеально підходить для машин і пристроїв з гідравлічним приводом.
Його можна використовувати в сільському господарстві, фруктових садах, лісовому господарстві чи будівництві.
Універсальний колектор використовується в різних типах машин, таких як:
- Cyclops
- Tury
- Навантажувачі
- Плуги
- Вилочні навантажувачі та багато іншого
Трипозиційний важіль (1 - 0 - 2)
- на пружині самостійно повертається у вертикальне положення
- Положення 0 нейтральне ( важіль у вертикальному положенні) шток поршня циліндра стоїть - масло йде в перелив.
- Робоче положення 1 (важіль у діагональному положенні вперед) шток поршня циліндра висувається.
- >
- Робоче положення 2 (важіль встановлено по діагоналі назад), поршневий шток циліндра втягується.
Підключення:
- Електроживлення (P) BSP 1/2''
- Повернення (T) BSP 1/2' '
- Вихід до секцій BSP 3/8''
- З'єднання BSP 1/2" ul>
Технічні характеристики:
Потік масла: 0 - 40 л/хв
Максимальний робочий тиск: 250 бар
Допустима температура навколишнього середовища: від -40 ℃ до +60 ℃
Допустима температура масла: -15 ℃ до +80 ℃
Обладнаний запобіжним клапаном.
