20м Сходовий набір COB освітлення для сходів WS2811 RGB 24V
- Час доставки: 7-10 днів
- Стан товару: новий
- Доступна кількість: 100
Просматривая «20м Сходовий набір COB освітлення для сходів WS2811 RGB 24V», вы можете быть уверены, что данный товар из каталога «Пульты» будет доставлен из Польши и проверен на целостность. В цене товара, указанной на сайте, учтена доставка из Польши. Внимание!!! Товары для Евросоюза, согласно законодательству стран Евросоюза, могут отличаться упаковкой или наполнением.
Предмет продажу комплект сходів та коридору. Використовуючи сходовий та коридорний контролер польського виробництва та цифрову стрічку, ви легко отримаєте дуже ефектне анімоване підсвічування сходів, коридорів чи сходів.
У набір входять усі необхідні компоненти:
- 20-метрова цифрова світлодіодна стрічка COB WS2811 RGB 24 В.
- Контролер для сходів і коридорів F20T RGB від Elegant,
- 2 x датчик руху FS1 (білий або чорний - колір вказуйте при замовленні),
- дистанційне керування + настінний тримач для пульта,
- модульний блок живлення MEAN WELL ERPF 400-24V,
- Кабель RGB 30 м 4 x 0,35 мм.
Усі компоненти високої якості та не становлять труднощів при установці.самостійна збірка.
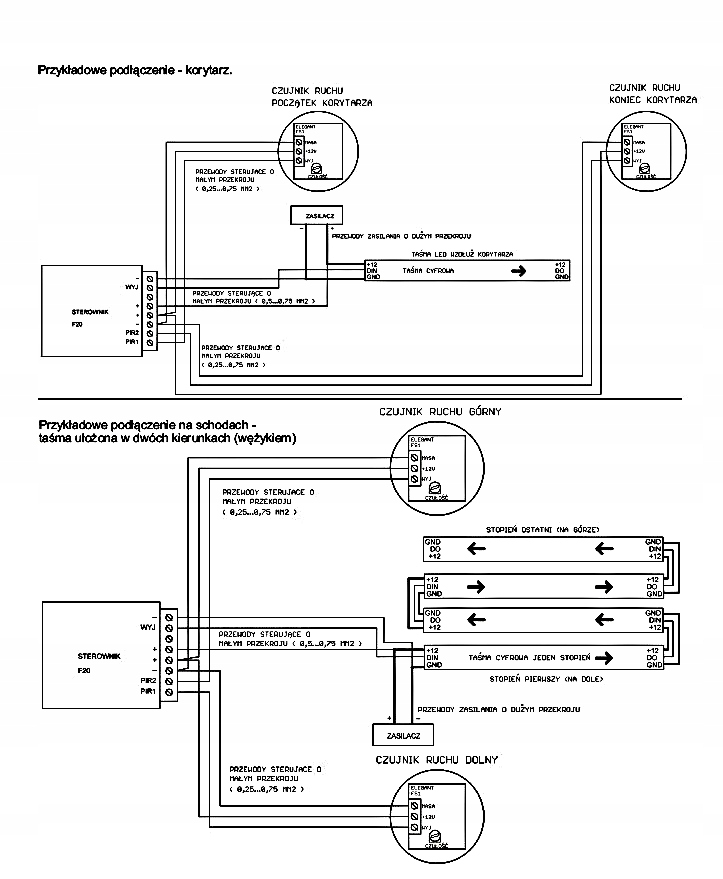
Використовуючи сходовий контролер для коридору F22T і цифрові стрічки, ми можемо легко створити анімоване освітлення сходів, коридорів або сходів.
Сходовий контролер Коридор має багато динамічних ефектів (перетікання кольорів, веселка, сходи, що розширюються/згортаються тощо) і статичних ефектів (ми можемо досягти ефекту підсвічування окремих сходинок). У комплекті з контролером є два датчики руху FS1, які по черзі вмикають/вимикають освітлення.
Основні переваги контролера коридорних сходів F22T - це дуже простий монтаж (послідовне підключення цифрової стрічки + підключення двох датчиків). до контролера) і дуже зручна конфігурація за допомогою сенсорного пульта дистанційного керування (встановіть ширину та кількість кроків, виберіть динамічну/статичну програму, швидкість, час роботи, колір, інтенсивність освітлення).
Технічні характеристики світлодіодної стрічки:
- напруга: 24 В постійного струму
- потужність: 14 Вт/м
- світлий колір: RGB
- якість: професійна
- PCB: PCB з подвійною мідною підкладкою 2 унції
- ступінь захисту: IP20
- кількість діодів: 630 мікросхем/м li>
- кут променя: 180 градусів
- термін служби: 50 000 год
- колір підкладки: біла друкована плата
- ширина: 12 мм
- клейка основа: міцний самоклеючий шар 3M 300LSE
- можливість скорочень: кожні 10 см
Основні переваги наших професійних цифрових стрічок 24 В:
- Завдяки використанню керуючих мікропроцесорів кожною ділянкою світлодіодної стрічки можна керувати абсолютно незалежно.
- Ми можемо отримати безпрецедентні динамічні та статичні програми, переливні кольори, колірні переходи, анімацію та багато іншого можливості.
- товста мідна підкладка вагою 2 унції забезпечує ефективне розсіювання тепла та збільшує термін служби діодів
- вибрані діоди гарантують яскраві та насичені кольори та високу яскравість
- бренд 3M клейка основа гарантує міцне зчеплення стрічки з поверхнею < /ul>
Контролер для сходів і коридорів Elegant F20
- Розміри: 60 x 84 x 30 мм
- Напруга живлення: 5...12 В< /li>
- Функція анімованого підсвічування сходів кольором RGB (розгортання сходинок)
- Функція анімації підсвічування коридорів (розгортання лінії)
- підтримка 1000 RGB пікселів (50 метрів цифрової стрічки 12 В 60 діодів/метр)
- працює з датчиками руху
- анімація відтворюється відповідно до напрямку руху людини
- функція постійного підсвічування, коли немає руху людей
- пульт дистанційного керування
- частота дистанційного керування: 2,4 ГГц, живлення від 2 батарейок типу AAA
Контролер також може працювати в коридорному режимі. Залежно від того, з якого боку коридору ми заходимо, контролер запускатиме ефект розширюючої світлової лінії.
Відбиваючий датчик руху FS1 (2 штуки в комплекті з контролером)
- виявляє людей, які піднімаються по сходах або проходять коридором (після відсікання невидимого променя, датчик активований)
- датчик використовує надійний датчик відбиття від Sharp
- регульована чутливість активації (відстань, на якій він має реагувати)
- краща продуктивність, ніж популярний PIR-датчик
- напруга живлення: 12 В
- пристосований для встановлення в монтажну коробку 60 мм (з гвинтами)
- доступний у білому або чорному кольорах (будь ласка, вкажіть вибраний колір у повідомленні продавцю)
Джерело живлення Mean Well ERPF 400-24 В
- ВХІДНА НАПРУГА: 100-240 В змінного струму
- ВИХІДНА НАПРУГА: 24 В/ПОСТІЙНОГО струму
- СИЛА СТРУМУ: 16,7A
- ПОТУЖНІСТЬ: 400 Вт< /li>
- РОЗМІРИ: 220,4 x 130 x 48 мм
- ЗАХИСТИ: коротке замикання, перевантаження, підвищення напруги, перегрів
- СТУПІНЬ ЗАХИСТУ:IP20
- РОБОЧА ТЕМПЕРАТУРА: -30÷60°C
- ВАГА: 1100 г
- ТИП КОРПУСУ: МЕТАЛ
- СЕРТИФІКАТИ: CE, ROHS
- Сертифікати CE , RoHS
Зонний пульт MiLight FUT092
має широкий спектр функцій. Він може підтримувати до 4 незалежних зон освітлення. За допомогою пульта ми можемо змінювати статичні та динамічні програми, приглушувати та посилювати світло, змінювати швидкість програми та багато іншого. Можливість призначити кілька приймачів на один канал.
- Живлення від батарейок 2xAAA
- сенсорні кнопки
- радіоуправління 2.4GHz
- можливість налаштування до 4 зон
- динамічні та статичні програми
- можливість встановити будь-який колір з палітри RGB
- плавне налаштування білого кольору - теплий/нейтральний/ холод (CCT)< /li>
Кабель RGB – це 4-жильний кабель, який ідеально підходить для підключення багатоколірних світлодіодних стрічок.
Він має 3 дроти, що відповідають кольори p>
- R - червоний
- G - зелений
- B - синій
Четвертий дріт це кабель живлення чорного кольору.
Кабель має поперечний переріз 4 x 0,35 мм, тому він не викликає надмірних перепадів напруги в установці. Таким чином, ділянки можуть бути набагато довшими, не спричиняючи нерівномірного освітлення стрічки.
Відео із зразками ефектів. Скопіюйте та вставте посилання, надане у вашому веб-переглядачі
https://youtu.be/AbFPt0YjC3E
Завдяки контролеру ми можемо легко створити сучасне та інноваційне освітлення для сходів чи коридорів. Збірка всього набору не становить особливих проблем. З'єднуємо стрічки послідовно, пам'ятаючи про дотримання правильного напрямку сигналу (стрілки на стрічці).До контролера підключаємо лише три дроти (сигнал, плюс, маса), що істотно спрощує весь монтаж.
