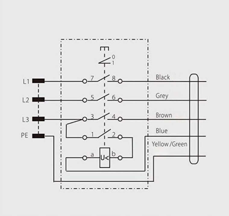
3-ФАЗНИЙ 400В KOA7 ВОДОСТІЙКИЙ ЕЛЕКТРОМАГНІТНИЙ ВИМИКАЧ З ЗАХИСТОМ
- Час доставки: 7-10 днів
- Стан товару: новий
- Доступна кількість: 9
Оплачивая «3-ФАЗНЫЙ 400В KOA7 Водонепроницаемый ЭЛЕКТРОМАГНИТНЫЙ ПЕРЕКЛЮЧАТЕЛЬ С ЗАЩИТОЙ» данный товар из каталога «Контактори, перемикачі двигунів» вы можете быть уверены, что после оформления заказа, доставки в Украину, вы получите именно то, что заказывали, в оговоренные сроки и европейского качества.
⚡ УНІВЕРСАЛЬНЕ ВИКОРИСТАННЯ ДЛЯ ПРИСТРОЇВ НА 400 В
Вимикач сумісний майже з усіма пристроями та машинами, оснащеними джерелом живлення 400 В 10 А або трифазними двигунами. Ідеально підходить для домашнього та професійного використання.
🛡️ ЗАХИЩЕНА СКЛАДНОЮ ЧОХЛОЮ
Перемикач захищений міцною складною кришкою, яка захищає від випадкового спрацьовування та впливу навколишнього середовища.
⚙️ ШВИДКИЙ ТА БЕЗПЕЧНИЙ КОМБІНОВАНИЙ ПЕРЕМИКАЧ
Вбудований комбінований перемикач під кришкою дозволяє швидко, зручно та безпечно вмикати та вимикати.
🔧 ШИРОКЕ ЗАСТОСУВАННЯ В МАШИНАХ ТА ІНСТРУМЕНТАХ
Ідеально підходить для таких машин, як: дровоколи, автоматичні пилки, гойдалки, стрічкові пилки, пелетні машини, молоткові млини, компресори та багато іншого майстерні та промислового обладнання.
🌧️ СТІЙКІСТЬ IP54 - ПИЛОЗАХИЩЕННЯ
Перемикач має клас захисту IP54, що означає, що він захищений від пилу та бризок. Призначений для роботи в складних умовах майстерні.
