3-ФАЗНИЙ ЕЛЕКТРОДВИГ B3 1,5 кВт 1500 об/хв
- Час доставки: 7-10 днів
- Стан товару: новий
- Доступна кількість: 498
Заказывая «3-ФАЗНИЙ ЕЛЕКТРОДВИГ B3 1,5 кВт 1500 об/хв» данный товар из каталога «Силовые устройства», вы можете получить дополнительную скидку 4%, если произведете 100% предоплату. Размер скидки вы можете увидеть сразу при оформлении заказа на сайте. Внимание!!! Скидка распространяется только при заказе через сайт.
3-ФАЗНИЙ ЕЛЕКТРОМОТОР 400В 1,5кВт
PAWISH
Виробництво:
Оригінальний продукт торгової марки Гідролідер, символ : 1.42.11.015
Застосування:
Широко використовується в гідравлічних системах у сільському господарстві, садівництві, лісництві, будівництві та широкому розумінні промисловості.
Двигуни загального призначення, призначені для тривалої роботи в промисловості та сільському господарстві. У гідравлічних системах використовується для приводу насосів. У механічних системах для приведення в обертання інших елементів системи.
На двигуни можна встановити зовнішнє охолодження або ручне гальмо.
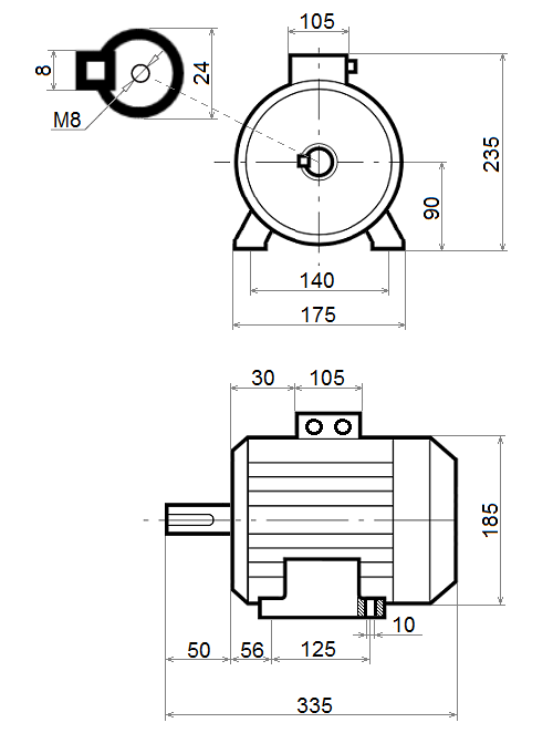
Технічні дані:
- Тип: AHC 90L 1-4
- Потужність (кВт): 1,5
- Номінальний крутний момент (Нм): 10,2
- Струм (А): 3,46
- Напруга (В): 400
- Швидкість обертання (об./хв.): 1400
- Напрямок обертання: праворуч або ліворуч
- Діаметр приводного валу (мм): 24
- Шпонка на валу: так
- Ущільнення: IP55 з обох сторін
- Фланець для кріплення роз'єму дзвінка: немає
- Концерні для кріплення: так
- Вага (кг): 14,6
- Корпус: алюміній
- Обмотка: мідь
Залежно від поставки, двигуни поставляються в синьому або сріблястому кольорі.
