3-СЕКЦІЙНИЙ ГІДРАВЛІЧНИЙ РОЗПОДІЛЮВАЧ 40 л + НІПЛ
- Час доставки: 7-10 днів
- Стан товару: новий
- Доступна кількість: 50
Просматривая «3-СЕКЦИОННЫЙ ГИДРАВЛИЧЕСКИЙ РАСПРЕДЕЛИТЕЛЬ 40 Л + НИПЕЛЬ», вы можете быть уверены, что данный товар из каталога «Разделители» будет доставлен из Польши и проверен на целостность. В цене товара, указанной на сайте, учтена доставка из Польши. Внимание!!! Товары для Евросоюза, согласно законодательству стран Евросоюза, могут отличаться упаковкой или наполнением.
ГІДРАВЛІЧНИЙ РОЗПОДІЛЬНИК 3-СЕКЦІЙНИЙ 40 Л З З’ЄДНАННЯМИ (НІПЕЛЯМИ)
КОД SKRAW-MET: [8230]
Виробник: SM-G (SKRAW MET GROUP)
Включає:
- 3-секційний гідравлічний колектор 40 л [1445]
- 2x з’єднання BSP: 1/2" - M22x1. 5 [1388]
- 6x BSP з'єднання: 3/8" - M18x1.5 [1707]
Високоякісний моноблочний розподільник характеризується компактною конструкцією, стабільною роботою та високою універсальністю.
Він дає змогу керувати одним приводом подвійної дії або (після підключення одного з порти) привод односторонньої дії.
Можливе підключення послідовно до існуючої системи (потрібна напірна муфта).
Застосування:
розподільник ідеально підходить для машин і пристроїв з гідравлічним приводом.
Його можна використовувати в сільському господарстві, садівництві, лісовому господарстві та будівництві.
Універсальний розподільник, може використовуватися в різних типах машин, таких як:
- Циклоп
- Повороти
- Навантажувачі
- Плуги
- Вилочні навантажувачі та багато іншого
Трипозиційний важіль (1 - 0 - 2)< /h2>- він повертається у вертикальне положення на пружині
- Нейтральне положення 0 (важіль поставлено вертикально), шток приводу стоїть - масло йде в перелив.
- Робоче положення 1 (важіль поставлено похило вперед), шток приводу висувається.< /li>
- Робоче положення 2 (важіль похилий назад), шток приводу втягується.
< /ul>Підключення:
- Блок живлення (P) BSP 1/2''
- Повернення (T) BSP 1 /2''
- Вихід до секцій BSP 3/8''
- З'єднання BSP 1/2"
Підключення:
- Блок живлення (P) BSP 1/2''
- Повернення (T) BSP 1 /2''
- Вихід до секцій BSP 3/8''
- З'єднання BSP 1/2"
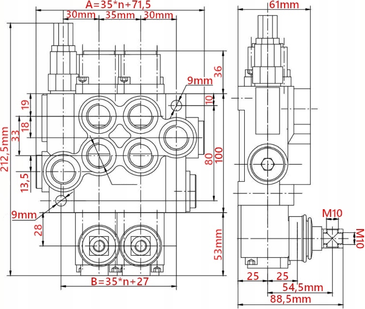
Технічні характеристики:
Потік масла: 0 - 40 л/хв
Максимальний робочий тиск: 250 бар
Допустима температура навколишнього середовища: -40 ℃ до +60 ℃
Допустима температура масла: -15 ℃ до +80 ℃
Обладнаний запобіжним клапаном.
Схема на фото нижче відповідає одній секції розподільника.
Прямі гідравлічні з'єднання - ніпелі
Виробник: SM-G (SKRAW MET GROUP)
Використовуються для з'єднання основних компонентів гідравлічної системи з гідравлічними лініями .
На стороні підключення є ущільнювач ED, який повністю герметизує систему.
Інша сторона відповідає за підключення гідравліки трубопровід або коліно. Ущільнення відбувається після затягування стиків на самоущільнювальному конусі. Це забезпечує повну герметичність системи.
З'єднання призначені для вкручування в корпус. Їх не можна використовувати для з’єднання двох гідравлічних ліній. Для цього використовуються з’єднувачі, доступні на інших аукціонах.
Застосування:
Гідравлічні з’єднання ідеально підходять для машин і пристроїв з гідравлічним приводом.
Їх можна використовувати в сільському господарстві, садівництві, лісництві та будівництві.
З'єднання призначені для вкручування в корпус, зокрема: насос, розподільник, привід тощо
Технічні характеристики ніпелів:
Пряме гідравлічне з'єднання - ніпель M18x1,5 - G3/8"
- Загальна довжина: 31,5 мм
- Номінальний діаметр проходу: 10 мм
- різьба G1 з боку корпусу: зовнішній дюйм 3/8"
- різьба M2з боку кабелю: зовнішня метрика M18x1.5
Пряме гідравлічне з'єднання - ніпель M22x1.5 - G1/2"< /h2>- Загальна довжина: 35 мм
- Номінальний діаметр проходу: 11,5 мм
- Різьба G1 на стороні корпусу: зовнішня дюймова різьба 1/2"
- M2 різьба на стороні кабелю: зовнішня метрика M22x1,5
Кут затиску конусів: 24° (типовий для польського стандарту)
Номінальний тиск: 180 бар
Максимальний тиск: 230 бар
Тип рідини: гідравлічне масло
Версія підключення: легка
Матеріал:
зварна сталь, оцинкована, стійка до корозії p>
