68,5мм МЕТАЛЕВИЙ РОЛИК для ВІЗКА РОЛОТНИХ ВОРОТ
- Час доставки: 7-10 днів
- Стан товару: новий
- Доступна кількість: 99969
Просматривая «68,5мм МЕТАЛЕВИЙ РОЛИК для ВІЗКА РОЛОТНИХ ВОРОТ» данный товар из каталога «Тележки и ролики», вы можете получить дополнительную скидку 4%, если произведете 100% предоплату. Размер скидки вы можете увидеть сразу при оформлении заказа на сайте. Внимание!!! Скидка распространяется только при заказе через сайт.
Металевий ролик із підшипником
Металеві ролики характеризуються дуже низьким опором коченню. Він має шар цинку, який захищає його від корозії. Металевий ролик дуже міцний і має високу стійкість до стирання. Вони використовуються для портальних систем як опорні ролики в портальних візках. Завдяки своїй довговічності та конструкції металеві ролики також мають багато інших застосувань
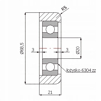
Технічні характеристики
- символ: R-68.5-M
- Діаметр колеса: 68,5 мм li>
- Діаметр отвору втулки: 20 мм
- Ширина бігової доріжки: 21 мм
- Допустиме навантаження: 100 кг
- Тип підшипника: кульковий
- Вага: 0,40 кг
- Виробник: Zabi (Польща)
- Ми пропонуємо металеві ролики з шарикопідшипниками для плоских штанг, Т-подібних штанг, кутових штанг, кабелів і труб
- Ролики доступні у версіях з або без кріплення b>
- Також доступні металеві або поліамідні ролики, призначені для портальних візків
Металеві ролики мають шар гальванізації, який захищає їх від корозії.
Пропоновані металеві ролики дуже довговічні та мають високу стійкість до стирання.
Металеві ролики з підшипниками можуть бути використані для систем відкатних воріт як опорні ролики в ворітних візкахМеталеві ролики завдяки своїй довговічності і структуру, знайти багато різних застосувань.
