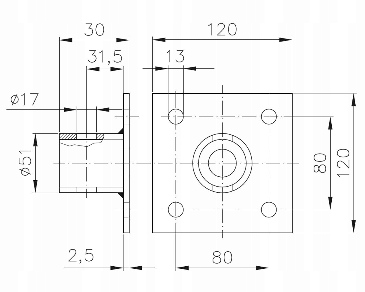
Adapter do podpory wysuwanej WINTERHOFF SF 60 120x120mm
Код: 15192018218
1192 грн
Ціна вказана з доставкою в Україну
Товар є в наявності
ЯК ЕКОНОМИТИ НА ДОСТАВКЕ?
Замовляйте велику кількість товарів у цього продавця
Інформація
- Час доставки: 7-10 днів
- Стан товару: новий
- Доступна кількість: 162
Просматривая «Adapter do podpory wysuwanej WINTERHOFF SF 60 120x120mm», вы можете быть уверены, что данный товар из каталога «Принадлежности» будет доставлен из Польши и проверен на целостность. В цене товара, указанной на сайте, учтена доставка из Польши. Внимание!!! Товары для Евросоюза, согласно законодательству стран Евросоюза, могут отличаться упаковкой или наполнением.
