Активний компенсатор реактивної потужності ASVG35, компенсація 35кВар Taurus-Technic
- Час доставки: 7-10 днів
- Стан товару: новий
- Доступна кількість: 11
Оплачивая «Активний компенсатор реактивної потужності ASVG35, компенсація 35кВар Taurus-Technic» данное изделие из «Конденсаторы» вы можете быть уверены, что после оформления заказа, доставки в Украину, вы получите именно то, что заказывали, в оговоренные сроки и европейского качества.
Активний компенсатор реактивної потужності ASVG 35, компенсація 35kVar Taurus-Technic
Компенсатор активної реактивної потужності ASVG використовується для компенсації індуктивної та ємнісної реактивної потужності.
Використовується для компенсації замість традиційних рішень на основі пасивних елементів, таких як конденсатори.
Завдяки швидкому часу відгуку в мілісекунди пристрій ASVG забезпечує ефективне досягнення потрібного коефіцієнта реактивної потужності. Додатково також можна налаштувати функцію обмеження гармонік струму та напруги та симетризацію фазного навантаження.
Модульна структура дозволяє легко розширювати та підключати наступні модулі для збільшення загальної потужності пристрою. Використовуючи інтерфейс дисплея HMI, ви можете легко виконати необхідні налаштування та переглянути робочі параметри пристрою, навантаження та мережі.
Завдяки пристрою ASVG ми можемо плавно регулювати як індуктивну, так і ємнісну реактивну потужність для кожної фази окремо. У мережах з високою динамікою зміни навантаження ми можемо отримати заданий коефіцієнт потужності, який на практиці, при правильно підібраній потужності АСВГ, дозволяє виключити нарахування реактивної енергії.
ОСНОВНІ ФУНКЦІЇ ПРИСТРОЮ АСВГ:
- плавне регулювання індуктивної та ємнісної реактивної потужності
- компенсація реактивної потужності в кожній фазі окремо< /li>
- li>
- дуже короткий час відгуку < 7,8 мс
- симетризація фазового навантаження
- уникнення резонансу
- обмеження вищих гармонік струму та напруги THDi, THDu< /li>
- можливість легкого встановлення та розширення до 20 модулів паралельно
- зв'язок - Modbus RS485
- Сертифікати CE та відповідність Стандарти ЄС
- зроблено в стіні
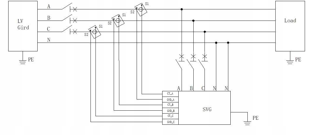
Принцип дії:
Компенсатор активної реактивної потужності ASVG спочатку вимірює струм, споживаний приймачами (через трансформатор струму ТТ), а потім генерує струм протилежної фази та однакової амплітуди, а потім «впорскує» його в мережу. Алгоритм реалізований системою на основі біполярних транзисторів з ізольованим затвором IGBT. Він дозволяє отримати необхідний коефіцієнт реактивної потужності (cos φ) і плавну компенсацію реактивної потужності.
Крім того, пристрій симетризує навантаження системи з асиметрією фазного струму, що дозволяє зменшити струм в нейтральний провід. Крім того, при появі в мережі вищих гармонік, наприклад, третьої, п'ятої, сьомої і т.д., ASVG веде себе як фільтр гармонік - після вимірювання струму гармонійних складових пристрій генерує струм протилежної фази. і ідентичною амплітудою і вводить його в мережу. Таким чином ми досягаємо зниження рівня гармонійних струмів.
Схема підключення ASVG та вимірювання за допомогою трансформатора струму ТТ на стороні мережі
