Алмазний комод з одинарним зерном M1020 1,5 кр
- Час доставки: 7-10 днів
- Стан товару: новий
- Доступна кількість: 992
Оплачивая «Алмазний комод з одинарним зерном M1020 1,5 кр» данный товар из каталога «Диски и шлифовальные круги» вы можете быть уверены, что после оформления заказа, доставки в Украину, вы получите именно то, что заказывали, в оговоренные сроки и европейского качества.
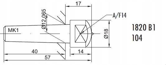
Однозернистий нешліфований алмаз M1020 1,5 крон
- Розмір алмазного зерна: 1,5 карата
- Тип тримача: b> Конус M1020 MK1
Однозернисті правки ідеально підходять для профілювання та заточування керамічних шліфувальних кругів з електрокорунду або карбіду кремнію. Не використовуються для правки шліфувальних кругів з надтвердих матеріалів (алмаз, бор). Комод складається з рами і вбудованого в неї кристала алмазу у формі октаедра або додекаедра. Кристал алмазу припаяний до каркасу з конструкційної сталі за допомогою срібної сполучної речовини.
Рекомендації
- Кут нахилу від 10° до 15°
- Подача максимум до 0,03 мм (30 мкм)
- Подача до 0,2 мм
- Хороше охолодження з самого початку - інакше існує ризик поломки
Якщо алмазний наконечник зношений, його потрібно повернути, щоб зберегти форму . Також необхідно стежити за тим, щоб в результаті зносу алмазу не було контакту між шліфувальним кругом і валом правки, оскільки це може призвести до відриву алмазу від валу через значне виділення тепла
Для чого використовується алмазна правка?Для чого використовується алмазна правка? h1>
h1>
Щоб створити відповідний профіль шліфувального круга і відновити його ріжучі властивості. Отримання необхідної макрогеометрії шліфувального круга називається профілюванням, а відповідна мікрогеометрія шліфувального круга називається заточуванням.
ЗАТОЧУВАННЯ ШЛИФУВАЛЬНИХ КРУГІВ< /h2>
Профіль і рельєф шліфувальних кругів активної поверхні змінюються в процесі шліфування в результаті зносу шліфувальних кругів. Знос шліфувального круга збільшує сили шліфування, що збільшує кількість тепла, що генерується, що призводить до опіків поверхні та зміни розміру та форми об’єкта. Заточка шліфувального круга спрямована на відновлення ріжучої здатності активної поверхні шліфувального круга шляхом створення нових ріжучих кромок на абразивних зернах в результаті відколу або розколювання тупих зерен і сполучних часток, а також усунення засмічень.
ПРОФІЛЮВАННЯ ШЛІФУВАЛЬНОГО КРУГА
Профілювання активного круга поверхні шліфувального круга стосується його макрогеометрії та пов’язане з геометричною формою зображення об’єкта на землі.
