Алюмінієвий профіль 20х20 відкритого розміру 30 см
- Час доставки: 7-10 днів
- Стан товару: новий
- Доступна кількість: 396
Просматривая «Алюмінієвий профіль 20х20 відкритого розміру 30 см» данный товар из каталога «Части» вы можете быть уверены, что после оформления заказа, доставки в Украину, вы получите именно то, что заказывали, в оговоренные сроки и европейского качества.
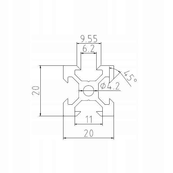
Алюмінієвий конструкційний профіль 2020 V-Slot ідеально підходить для створення багатьох конструкцій машин і пристроїв, таких як 3D-принтери, плотери, корпуси, лазери та інші легкі конструкції.
Цей профіль ідеально підходить для ентузіастів. , любителям, які будують машини вдома, а також професіоналам.
Профіль V-типу, на відміну від класичних Т-профілів, дозволяє здійснювати лінійне переміщення по всій довжині за допомогою спеціальних аксесуарів системи openbuilds. .
Технічні дані:
- Матеріал: алюміній 6063
- Колір покриття: срібло
- Тип покриття: анодування
- li>
- Вага: ~0,5 кг/м
- Канавка: ТИП V
ПРИМІТКА: розміри можуть відрізнятися залежно від різання та ТОВЩИНИ ПИЛКИ +/ - 1-3 мм
Працювати з алюмінієвими профілями надзвичайно просто.
Профіль V-Slot можна розрізати до будь-якого розміру за допомогою найпростішої ручної пилки та іншого Робота готова до використання та згвинчування профілів разом з іншими компонентами - все, що вам потрібно, це викрутка!
Конструкція профілів V-Slot схожа на традиційні профілі, але цей тип дає нам більше можливостей.
Завдяки спеціальній конструкції V-подібних канавок ми можемо створити структуру, яка забезпечує лінійний рух.
Це нова концепція в дизайні! Продукти, рекомендовані як любителям, так і професіоналам!
Ви творець. Отримуйте задоволення!
Ви побачите, що V-Slot ідеально підходить для більшості проектів. Нижче наведено список деяких ідей, які допоможуть вам почати:
- 3D-принтери
- гравери з ЧПК
- фрезерні верстати з ЧПК
- Лазерні різаки
- li>
- Слайдери камер
- Плазмові різаки
- Робототехніка
- Меблі та багато іншого...
Враховуючи, що ціна є ціною брутто за 30 см профілю, загальна довжина профілів становить 300 см. Ми наріжемо для вас необхідну довжину та кількість - Примітка: Кількість розрізів у вартість включено 2 розрізи, кожен наступний додатково 3 злотих за розріз, незалежно від довжини секції чи кількості замовлених штук, зазвичай ми ріжемо з профілів 300 см ...
Як замовити?
Аукціон стосується секції 30 см (профіль поставляється секціями 300 см), якщо вам потрібен довший профіль, просто замовте кілька штук і повідомте нам в коментарі якої довжини потрібно підготувати секції. Ми ріжемо все на місці професійною пилкою.
NP: ви хочете 1,5 метра на дві секції по 0,5 метра, тому замовляєте 5 штук і в коментарі до замовлення вказуєте, що хочете 3 х 0,5 мб.
УВАГА!!! Щодо способу доставки
Ви можете замовити профілі довжиною до 50 см усіма доступними способами доставки.
Профілі довжиною понад 50 см замовляйте через кур’єра DPD, Allegro smart DPD
У Ambro Express можна замовити профілі до 400 см
