ART LCD графічний 128x32-R COG LED -K/білий 3,3 В
- Час доставки: 7-10 днів
- Стан товару: новий
- Доступна кількість: 90
Оплачивая «ART LCD графический 128x32-R COG LED -K/Белый 3,3В», вы можете быть уверены, что данное изделие из каталога «Дисплеи» будет доставлено из Польши и проверено на целостность. В цене товара, указанной на сайте, учтена доставка из Польши. Внимание!!! Товары для Евросоюза, согласно законодательству стран Евросоюза, могут отличаться упаковкой или наполнением.
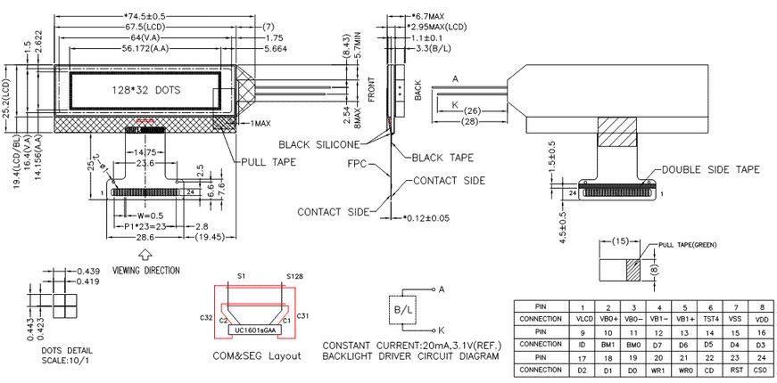
LCD графічний дисплей 128032-R тип ChipOnG lass LED (K/білий)
LCD-AG-C128032R-FHW K/W E6 PBF = CGG128032R00-FHW-R
Не потребує гнізда ZIFF - стрічковий роз'єм припаяний безпосередньо до друкованої плати
Працює в розширеному діапазоні ТЕМПЕРАТУР (-20+70 градусів C)
НОВИНКА - ПЛІВКА. Контролер: UC1601
високоякісні рідкокристалічні дисплеї
Виробник: AV-DISPLAY
Рахунки-фактури = (юридичні особи)
приватні/фізичні особи = квитанція
