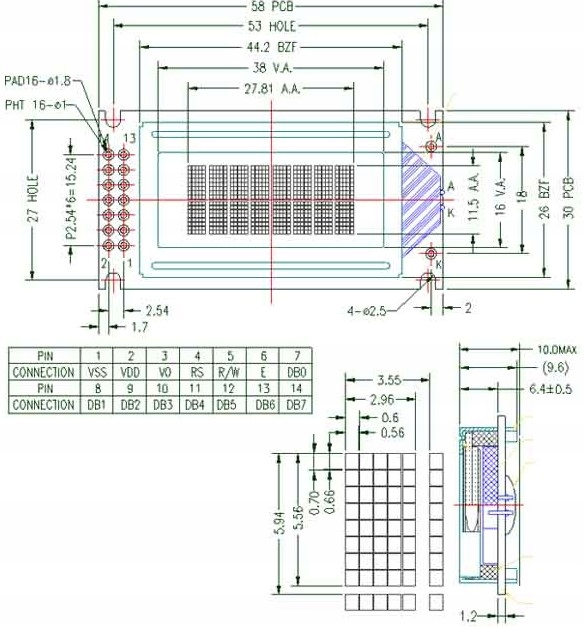
Art New LCD 2x8 з підрозділами. Світлодіод (білий/kk) ffstn
Код: 15309366429
664 грн
Ціна вказана з доставкою в Україну
Товар є в наявності
ЯК ЕКОНОМИТИ НА ДОСТАВКЕ?
Замовляйте велику кількість товарів у цього продавця
Інформація
- Час доставки: 7-10 днів
- Стан товару: новий
- Доступна кількість: 78
Покупая «Искусство Новое ЖК -дисплей 2x8 с суб -сетью. Светодиод (белый/кк) ffstn» данный товар из каталога «Дисплеи» вы можете быть уверены, что после оформления заказа, доставки в Украину, вы получите именно то, что заказывали, в оговоренные сроки и европейского качества.
Дисплей LCD 0802 з підсумками. LED ( w hite/ kk ) Negative
lcd-PC-0802E-DiW W/KK-E6 C = CBC008002E10-DIW-R
works in an extended temperature range: -20+70st.c
Нова - фольга. Драйвер відповідно до HD44780
Широкий кут перегляду ( ffstn )
Високоякісні РК -дисплеї
Виробник: av -p
англійська/cyrillic (ділові вгоди)
