Audio DAC AKM AK4620A, 24bit 192kHz, s/n 115db
Код: 17351144875
838 грн
Ціна вказана з доставкою в Україну
Товар є в наявності
ЯК ЕКОНОМИТИ НА ДОСТАВКЕ?
Замовляйте велику кількість товарів у цього продавця
Інформація
- Час доставки: 7-10 днів
- Стан товару: Б/В
- Доступна кількість: 4
Заказывая «Audio DAC AKM AK4620A, 24 -битный 192 кГц, S/N 115DB» данное изделие из «Преобразователи переменного и CA» вы можете быть уверены, что после оформления заказа, доставки в Украину, вы получите именно то, что заказывали, в оговоренные сроки и европейского качества.
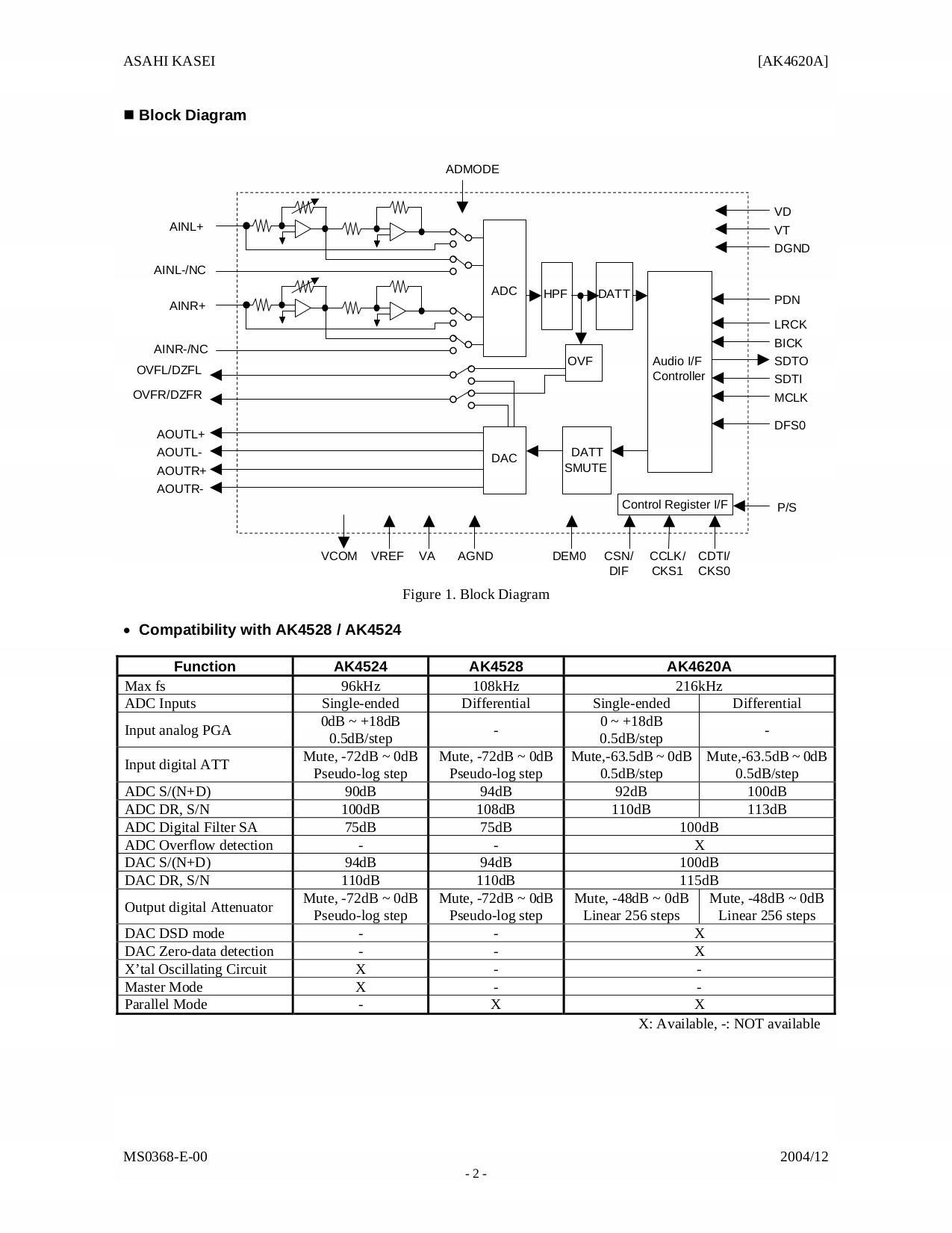
AKM AK4620A-ADC/DAC-24BIT/192KHZ
24-бітний 2-канальний DAC:
- 24-бітний 8 разів перегрівання цифрового фільтра лінійного фази, Ripple: ± 0,005db, зупинка лінійної фази, Ripple: ± 0,005db, зупинка Ослаблення: 75 дБ
- Фільтр низького проходу з комутатором
- Диференціальні виходи
- S/(n+d): 100 дб, s/n: 115db
- де-емфаз для 32 кГц, 44,1 кГц, 48 кГц Вибірка
- Вихідний цифровий аттенуатор: Лінійні 255 кроків
- М’який відключений
- Функція нульового виявлення
- Формат аудіоінтерфейсу: MSB виправданий, LSB виправданий, i2s, dsd
- Вибір однозначного або диференціального входу
- Високопродуктивна лінійна фаза цифрового антиліасного фільтра
- S/(N+D): 92 дБ (один раз), 100 дБ (Диференціальний)
- s/n: 110db (одноразовий), 113db (диференціальний)
- Цифровий фільтр високого пропуску для зміщення витрат
- Вхідна PGA: 0 дБ до +18 дБ, 0,5 дБ/ступінь (для одноразового (для одноразового одномісного Вхід)
- Вхідний цифровий аттенуатор: 0 дб до-63 дб, 0.5db/step
- Прапор переповнення
- Формат аудіо-інтерфейсу: MSB виправданий, i2s
- Високий джитер Допуск
- Швидкість відбору проб: до 216 кГц
- мкп Інтерфейс: 3 -wire Serial Інтерфейс
- Головний годинник - 128FS/192FS/256FS/384FS/512FS/768FS/1024FS
-
- Маленьким 30-контактним пакетом VSOP
-
[Два шматки на стрічці]
