БАТАРЕЯ, НЕОБСЛУГОВУВАНА БАТАРЕЯ GLP 7.2AH 12V GLP 7.2-12 GLP 7.2-12 7.2 UPS
- Час доставки: 7-10 днів
- Стан товару: новий
- Доступна кількість: 226
Оплачивая «БАТАРЕЯ, НЕОБСЛУГОВУВАНА БАТАРЕЯ GLP 7.2AH 12V GLP 7.2-12 GLP 7.2-12 7.2 UPS» данный товар из каталога «Пульты управления», вы можете получить дополнительную скидку 4%, если произведете 100% предоплату. Размер скидки вы можете увидеть сразу при оформлении заказа на сайте. Внимание!!! Скидка распространяется только при заказе через сайт.
GLP
Герметичний свинцево-кислотний акумулятор
Серія: GLP
Модель: GLP 7.2-12
Серія GLP
Акумулятори марки GLP серії GLP виготовлені за технологією AGM (Absorbed Glass Mat) і мають електроліт, абсорбований у скловолоконних сепараторах. Розрахований термін їх служби від6 до9роківпри 20-25° C . Вони розроблені для буферної роботи (аварійного живлення). Серія GLP складається з 13 моделей акумуляторів на 12 В, що відрізняються за такими параметрами, як ємність, розміри і вага. Ємність акумуляторів цієї серії коливається від 7,2 до200 Ах
Технічні характеристики:
- Номінальна напруга [В]: 12
- Номінальна потужність C20 [Ah]: 7
- Технологія: AGM
- Розрахунковий термін служби для 20-25 °C [років]: 6- 9
- Зарядна напруга для буферної роботи [В]: 13,4 ÷ 13,8
- Зарядна напруга для циклічної роботи [В]: 14,4 ÷ 15
- Рекомендований зарядний струм [A]: 0,7
- Максимальний зарядний струм [A]: 2,1
- Висота [мм]: 94 ± 1 мм
- Загальна висота [мм]: 102 ± 1 мм li>
- Довжина [мм]: 151 ± 1 мм
- Ширина [мм]: 65 ± 1 мм
- Тип полюсних клем: T1, Faston F1
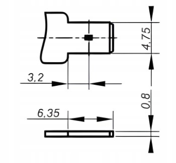
- Ширина полюсних клем [мм]: 4,75
- Вага [ кг]: 2,2 ± 3%
- Матеріал корпусу: ABS
Розміри батареї та роз’ємів [мм]:
БАТАРЕЇ ЗА ТЕХНОЛОГІЄЮ AGM VRLA
Акумулятор виготовлено за технологією AGM, електроліт утримується у високопористих скловолоконних сепараторах. Це виключає ризик протікання і дозволяє працювати в будь-якому положенні. Акумулятор має самоущільнювальні клапани тиску для запобігання надлишкового тиску в комірці (VRLA). Завдяки своїм перевагам, таким як герметичність, необслуговування, низький внутрішній опір і тривалий термін зберігання, акумулятори AGM були обрані як основа для систем аварійного живлення. Вони ідеально підходять для використання в джерелах живлення ДБЖ, системах сигналізації, касових апаратах і системах живлення аварійного освітлення.
Структура батареї
1 - Корпус
2 - Полюсні клеми
3 - Запобіжні клапани VRLA
4 - Кришка
5 - Кришка
6 - Негативна пластина
7 - Скловолоконний сепаратор
9 - Позитивна пластина
GLP
Якісне накопичення
Герметичні, необслуговувані свинцево-кислотні батареї з терміном служби від 6 до 10 років. b> p>
Ідеальні продукти для використання в установках, які потребують надійності.
GLP — це ефективні та економічні рішення
Чому GLP батареї?
- Можливість адаптації до ваших потреб, широкий асортимент із понад 22 моделей
- Фактичний термін служби більш ніж у 2 рази вищий, ніж у дешевших замінників
- Висока повторюваність параметрів серед моделей однієї виробничої серії
- Довга та надійна робота від батареї
- Ідеально підходить для використання у вимогливих системах ДБЖ
- Дуже вигідно співвідношення ціна-якість
Застосування
- ДБЖ
- Системи сигналізації
- Системи протипожежного захисту
- Касові апарати та фіскальні принтери
- Телефонні станції
- Телекомунікаційні електростанції
- Базові станції GSM
- Аварійне живлення для автоматизації та безпека
- Аварійне освітлення
- Системи сонячних батарей
- Мобільні та портативні пристрої
Основні характеристики
- Компактний дизайн на 6 В/моноблок на 12 В
- Герметичний і не потребує обслуговування (щодо заправки електроліту)
- Технології AGM і VRLA-GEL
- Розрахунковий термін служби до 10 років
- Діапазон ємності від 7,2 до 200 Ач
- Низький внутрішній опір
- Дуже висока концентрація енергії
- Можливість експлуатації у будь-якому положенні (за винятком опущених клем)< /li>
- Широкий діапазон робочих температур
Будь ласка, перегляньте нашу серію продуктів нижче, там ви знайдете повну пропозицію батарей від таких компаній:
- ACUMAX
- EUROPOWER
- ALARMTEC
- TECHNOCELL< /li>
- GLP
- IPS
- МВТ ПОТУЖНІСТЬ < /ul>
