БЛОК ЖИВЛЕННЯ ГІДРАВЛІЧНИЙ ГЕНЕРАТОР 12V 2.0KW 2.0cm3 8L ОДНА СЕКЦІЯ + ПУЛЬТ
- Час доставки: 7-10 днів
- Стан товару: новий
- Доступна кількість: 50
Покупая «ПИТАНИЕ ГИДРАВЛИЧЕСКИЙ ГЕНЕРАТОР 12В 2.0КВТ 2.0см3 8Л ОДНА СЕКЦИЯ + ДИСТАНЦИОННОЕ УПРАВЛЕНИЕ» данный товар из каталога «Гидравлическая система» вы можете быть уверены, что после оформления заказа, доставки в Украину, вы получите именно то, что заказывали, в оговоренные сроки и европейского качества.
КОМПЛЕКТ ГІДРАВЛІЧНОГО ЖИВЛЕННЯ 12 В
SKRAW-MET КОД: [4090]
ВИРОБНИК: SM-G (SKRAW-MET-GROUP)
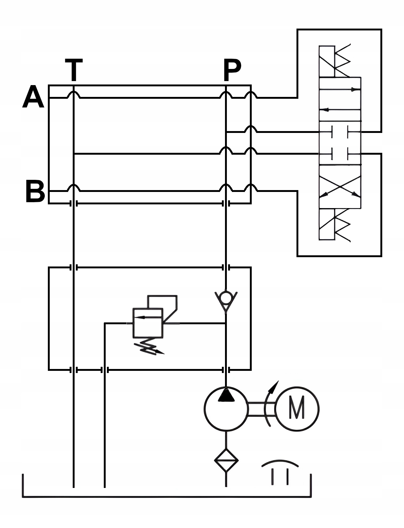
В комплект входить:
- гідравлічний насос 2,0 см3
- електр. двигун 2,0 кВт 12 В DC
- пластикова кришка
- з'єднувальна пластина з переливним клапаном
- електромагнітний клапан для керування приводом подвійної дії
- металевий бак 8 літрів
- дистанційне керування з двома кнопками
Пристрій готовий до роботи, просто підключіть кабелі та залийте масло.
Може використовуватися в сільському господарстві, садівництві, лісовому господарстві та будівництві.
Пристосований для роботи при розвантаженні вантажного боксу в: причепах, самоскидах, гідропаках, породах, підйомниках, вантажних платформах, автопідйомниках, кранах, сільськогосподарських та промислових машинах.
Технічні характеристики:
- Мастильний клапан (запобіжний): ТАК
- Потужність двигуна: 2,0 кВт
- Напруга двигуна: 12 В постійного струму
- Ємність масляного баку: 8 л
- Максимальний робочий тиск: 180 бар
- Потужність насоса: 2,1 см3/оберт, у цьому наборі 5,8 л/хв
- Внутрішнє різьбове підключення: G3/8"
- Тип роботи: переривчастий режим (S3=7%)
Розміри:
- Довжина блоку: 595 мм
- Ширина блоку: 230 мм
- Висота блоку: 230 мм
- Довжина резервуара: 370 мм
- Ширина резервуара: 180 мм
- Висота резервуара: 200 мм
ПУЛЬТ ДИСТАНЦІЙНОГО КЕРУВАННЯ З 2 КНОПКАМИ
Сільна конструкція
Це спеціальний пульт дистанційного керування з двома кнопками, який використовується в основному в гідравлічних агрегатах, що живляться від 12 В / 24 В.
Оснащений монтажною кишенею, яку за потреби можна прикріпити до двох отворів за допомогою діаметр 5 мм.
Ззаду пульта дистанційного керування розташовані потужні магніти, завдяки яким його можна прикріпити до металевих елементів.
Крім того, пульт дистанційного керування містить кабель довжиною приблизно 5 м із 3-контактним штекером, що закручується.
Усі елементи виготовлені лише з міцного, високоякісні матеріали.
