Bosch stojan do akumulatorowego młota obrotowego GBH 18V-26 1600A015E8
Код: 15876390105
2254 грн
Ціна вказана з доставкою в Україну
Товар є в наявності
ЯК ЕКОНОМИТИ НА ДОСТАВКЕ?
Замовляйте велику кількість товарів у цього продавця
Інформація
- Час доставки: 7-10 днів
- Стан товару: новий
- Доступна кількість: 1
Заказывая «Bosch stojan do akumulatorowego młota obrotowego GBH 18V-26 1600A015E8» данное изделие из «Статоры» вы можете быть уверены, что после оформления заказа, доставки в Украину, вы получите именно то, что заказывали, в оговоренные сроки и европейского качества.
" Статор Bosch для акумуляторного перфоратора GBH 18V-26
- Виробник: Bosch
- Код виробника: 1600A015E8
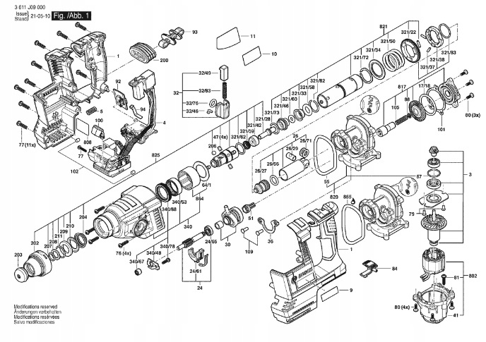
- Позиція на схемі: 802-GBH 18V-26 (3611J09000)
Застосування:
Акумуляторний перфоратор
- 3611J090E3 ; GBH18V-26
- 3611J09000 ; GBH 18V-26
- 3611J09001 ; GBH 18V-26
- 3611J09081 ; GBH 18V-26
- 3611J10000 ; GBH 18V-26 F
Ви купуєте в авторизованого дилера запасних частин Bosch
