Бу котла, дути, насоси C. O., C. В EUROSTER'S 11WB
- Час доставки: 7-10 днів
- Стан товару: новий
- Доступна кількість: 1
Оплачивая «Бу котла, дуть, насосы c. o., c. в EUROSTER'S 11WB» данный товар из каталога «Аксессуары для котлов и печей», вы можете получить дополнительную скидку 4%, если произведете 100% предоплату. Размер скидки вы можете увидеть сразу при оформлении заказа на сайте. Внимание!!! Скидка распространяется только при заказе через сайт.
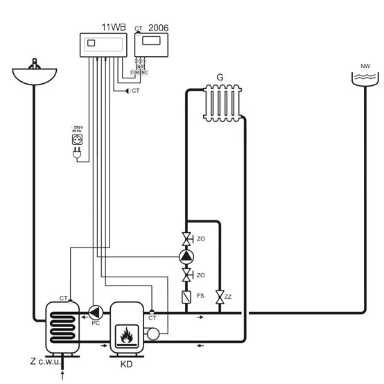
Euroster 11WB
Euroster 11WB - це електронний програмований контролер, призначений для роботи з котлами центрального опалення. для дрібного вугілля та вугілля, в установках, обладнаних баком для гарячої води. Контролер вимірює температуру котла та резервуара гарячої води. і в залежності від цих температур він регулює подачу повітря в піч і керує роботою насосів контуру центрального опалення. і гаряча вода для побутових потреб
Залежно від ваших потреб, можна встановити діапазон зміни швидкості вентилятора, час видування та інтервали між видуванням.
Контролер оснащений модульованою потужністю вентилятора - оберти залежать від температури котла: вони повільніші, чим ближче температура котла до заданої.
У системі гарячого водопостачання контролер підтримує постійну температуру води в резервуарі з пріоритетом завантаження резервуара або без нього.
Система Anti-Stop запобігає заїданню ротора насоса, коли він не використовується. Після закінчення опалювального сезону кожні 14 днів автоматично запускає насос на 30 секунд. Щоб система працювала після сезону, контролер має бути увімкненим.
Функції драйвера:
- забезпечує оптимальну роботу котла
- запобігає пітненню котла
- плавне регулювання швидкості вентилятора
- термічний захист – запобігає перегріву котла
- підтримує постійну температуру води в баку
- можливість увімкнути пріоритет гарячої води
- функція блокування від охолодження бака
- можливість приготування гарячої води влітку
- функція захисту установки від замерзання
- Система Anti-Stop – захист насосів від застою
- можливість постійного підсвічування екрана
- зручне введення налаштувань за допомогою ручки
- перевірка роботи насоса та повітродувки
- корекція індикації температури
ТЕХНІЧНІ ДАНІ
- Діапазон вимірювання температури: від -5°C до +110°C
- Діапазон регулювання температури: від +20°C до +80°C режим центрального опалення
- від +20°C до +70°C режим гарячої води
- Діапазон регулювання температури котла: від +40°C до +80°C
- Максимальне навантаження на потужність повітродувки: 0,5 A 230 В 50 Гц
- Максимальне вихідне навантаження насоса: 2 A 230 В 50 Гц
- Діапазон гістерезису: 2°C - 10°C
- Точність вимірювання температури 1°C
- Робоча температура: від +5°C до +40°C
- Максимальне споживання електроенергії: 1,6 Вт
- Кількість незалежних датчиків температури 2
- Максимальний струм навантаження 3 А змінного струму
- Електроживлення ~230 В 50 Гц
- Розміри (висота x ширина x глибина) мм 90 x 150 x 52
