Двигун Bosch для перфоратора GBH 36 V-LI Plus
- Час доставки: 7-10 днів
- Стан товару: новий
- Доступна кількість: 2
Оплачивая «Двигун Bosch для перфоратора GBH 36 V-LI Plus», вы можете быть уверены, что данный товар из каталога «Двигатели» будет доставлен из Польши и проверен на целостность. В цене товара, указанной на сайте, учтена доставка из Польши. Внимание!!! Товары для Евросоюза, согласно законодательству стран Евросоюза, могут отличаться упаковкой или наполнением.
* Двигун постійного струму Bosch для акумуляторного перфоратора GBH 36 V-LI Plus
новий оригінальний
( Двигун постійного струму / Gleichstrommotor / двигун / перфоратор )
< ul >Застосування:
перфоратор/перфоратор на акумуляторі:
- GBH 36 V-LI Plus
- GBH 36 VF-LI Plus
- RH328 VC- 36
Детальний журнал застосування
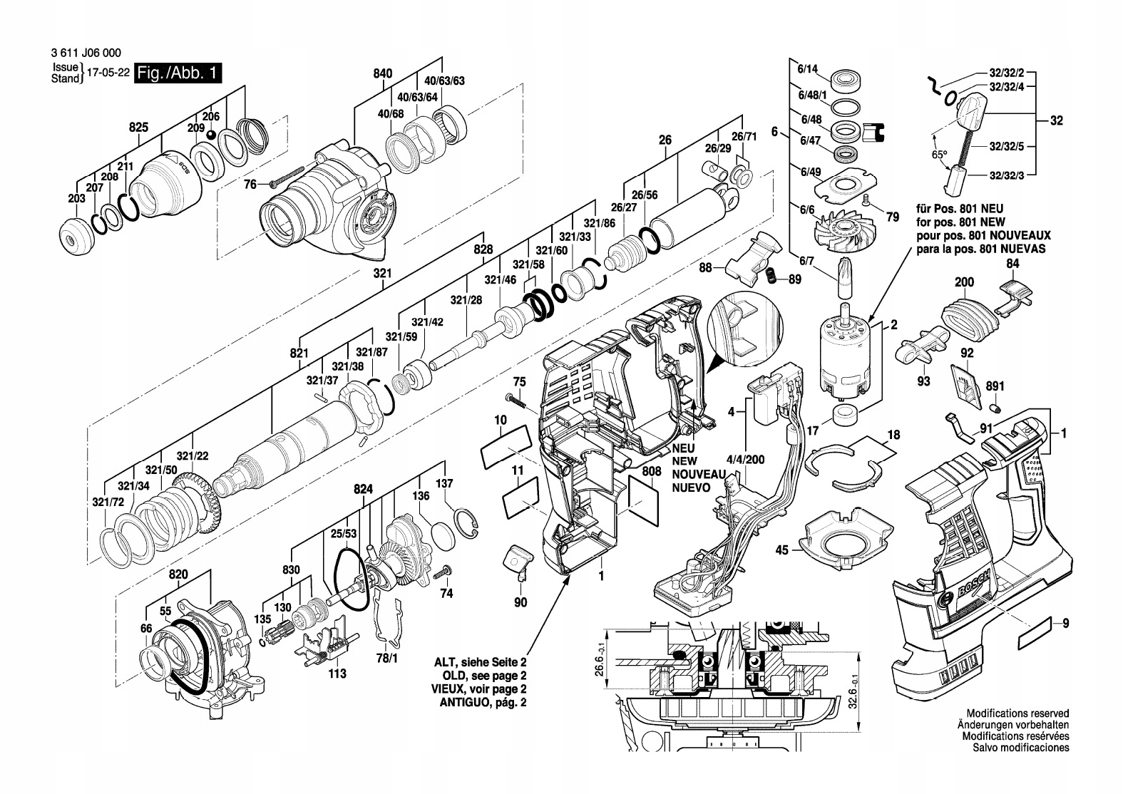
каталожний номер, позначення продукту, вольт, країна, позиція на схемі:
3611J06000 GBH 36 V-LI Plus ; 36 ; ЄВРОПА ; 2
3611J06010 RH328 VC-36 ; 36 ; США ; 2
3611J06050 GBH 36 V-LI Plus ; 36 ; J; 2
3611J06051 GBH 36 V-LI Plus ; 36 ; J; 2
3611J06080 GBH 36V-LI Plus ; 220 ; CN ; 2
3611J06081 GBH 36 V-LI Plus ; 36 ; CN ; 2
3611J060E0 GBH 36 V-LI Plus ; 220 ; BR ; 2
3611J060E1 GBH 36 V-LI Plus ; 36 ; СЕМ ; 2
3611J07000 GBH 36 VF-LI Plus ; 36 ; ЄВРОПА ; 2
3611J07051 GBH 36 VF-LI Plus ; 36 ; ЄВРОПА ; 2
Ви купуєте в авторизованого дилера Bosch запасних частин
