ДВІЙНИЙ ГІДРАВЛІЧНИЙ ЗАПОРОТНИЙ КЛАПАН VBPDE 1/4
- Час доставки: 7-10 днів
- Стан товару: новий
- Доступна кількість: 474
Оплачивая «ДВОЙНОЙ ГИДРАВЛИЧЕСКИЙ ОБРАТНЫЙ КЛАПАН VBPDE 1/4», вы можете быть уверены, что данное изделие из каталога «Гидравлические клапаны» будет доставлено из Польши и проверено на целостность. В цене товара, указанной на сайте, учтена доставка из Польши. Внимание!!! Товары для Евросоюза, согласно законодательству стран Евросоюза, могут отличаться упаковкой или наполнением.
ГІДРАВЛІЧНИЙ ЗВОРОТНИЙ КЛАПАН VBPDE 1/4"
ЗАМОК ДВОСТОРОННЬОГО ПРИВОДУ
Виробництво:
Оригінальний італійський продукт марки Oleodinamica Marchesini, символ: VBPDE 1/4"; 1.35.17.005
Застосування:
Він широко використовується в гідравлічних системах у сільському господарстві, садівництві, лісництві, будівництві та широкому розумінні промисловості.
Принцип дії:
Зворотний клапан із подвійним керуванням, також відомий як "замок", використовується для блокування руху штока поршня приводу в обох напрямках . Забезпечує стабілізацію положення штока поршня, коли розподільник некерований і на виконавчий механізм діють великі зусилля. Замок клапана перестає працювати, коли ми починаємо керувати гідравлічним розподільником.
Підключення:
Підключіть V1 і V2 до ліній живлення, наприклад, секцій гідравлічного дистриб'ютор. Підключіть C1 і C2 до ресивера, наприклад, приводу подвійної дії.
Потік від V1 до C1 і від V2 до C2 повністю блокується, якщо на V1 і V2 немає тиску. Потік від V1 до C1 і від V2 до C2 відкривається, коли прикладається тиск до V1 або V2.
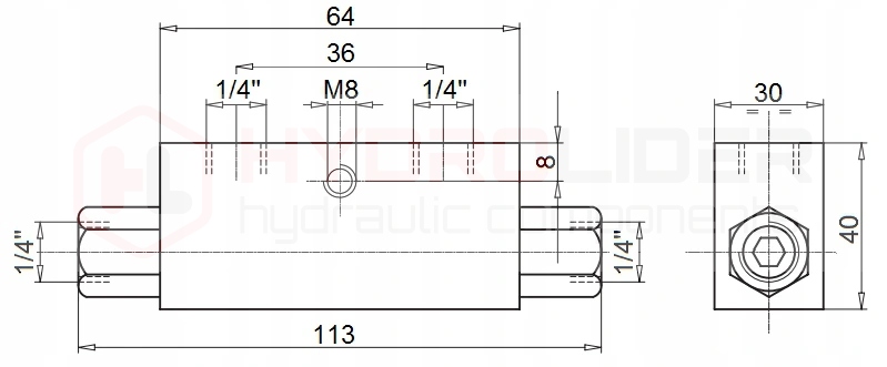
Технічні дані:
- Максимальний потік: 20 л/хв
- Кількість гідравлічних отворів в корпусі: 4
- Внутрішня різьба в корпусі: 1/4'' [BSP]
- Матеріал корпусу: оцинкована сталь
- Максимальний допустимий тиск: 350 бар
- Потік тиск відкриття блоку: 4 бар
- Вага: 0,636 кг
Діапазон температур і тип масла:
- Допустима температура навколишнього середовища: від -40 C до +60 C
- Допустима температура масла: від -15 C до +80 C
- Тип масла: гідравлічне масло на основі мінерального масла
Гідравлічна схема клапана VBPDE (фото):
