Ефект падіння комети 8 світлодіодного навчання для паяльного SMD комплект
- Час доставки: 7-10 днів
- Стан товару: новий
- Доступна кількість: 22
Просматривая «Эффект падения кометы 8 LED Learning для Sperer SMD Kit», вы можете быть уверены, что данный товар из каталога «[rubrica_name]» будет доставлен из Польши и проверен на целостность. В цене товара, указанной на сайте, учтена доставка из Польши. Внимание!!! Товары для Евросоюза, согласно законодательству стран Евросоюза, могут отличаться упаковкой или наполнением.
Ефект світлодіодного світлодіодного Comet 8
для самостійного складання, SMD пайки
Проміжна система в складі.
Час складання 120 хвилин.
Система після підключення потужності блискуча від світлодіода 8 до світлодіодів 1, світлодіоди до кожної по черзі блищать сильним світлом, трохи затемненням, дають ефект падаючого світлодіодного світла, як падаюча зірка на небі.
Розмір друкованої плати: 42 х 41 мм
живлення: 5В
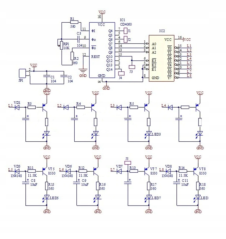
Схема використовує CD4060 як контролер розподілу коливань та частоти, використовуючи декодування 74 HC138 до включення 8 світлодіодів до світла. Використовуючи характеристики зарядки та розвантаження конденсатора, кожен світлодіодний ланцюг поступово виходить, динамічно створюючи ефект "крапельниці". У внутрішньому ланцюзі коливальні схеми R1, R2, RP1, C3 та CD4060 утворюють коливальну схему разом. Резор RP1 може регулювати частоту коливань, змінюючи тим самим швидкість водної лампи. Сигнал коливань надсилається до IC2 для розшифровки після внутрішнього 7-кратного. Щоразу, коли надходять сигнал з 7 поділом, на терміналах Y0-Y7 з’являється низький рівень, що відповідає запаленням одного світлодіода. Отримавши вісім сигналів із 7 підрозділами на інтерфейсі 10-BUNCH, з’являється високий рівень, який надсилається на термінал, що дозволяє IC2, якщо IC2 працює нормально, наступний цикл побачить низький рівень на колу 10. Резистор, що обмежує світлодіодний струм, а також резистор, що обмежує струм на основі триодичного, трилогіологічного базового конденсатора та тріода-бази. Коли з’являється низький рівень IC2, базовий конденсатор трибнера швидко скидається через діод, а напруга на обох кінцях конденсатора швидко падає до рівня, близького до 0 В. Проходячи низький рівень, діод вимикається, а резистор, що обмежує струм на основі триода, повільно заряджає конденсатор, викликаючи основний струм, який повільно закриває триода, світлодіод поступово вимикається від світла до темряви, створюючи ефект "падаючої зірки".
Інструкції:
Системи мають на пластині схему друкованої збірки. Вам потрібно звернути увагу на полярність за такі елементи, як конденсатори, діоди, транзистори. У випадку світлодіодів довша нога - це плюс +, більшість елементів описали параметри на корпусі. Резистори можуть мати позначення смужок, їх опір та толерантність можна прочитати за допомогою калькуляторів, доступних в Інтернеті або вимірюванням лічильника. Порядок складання зазвичай безкоштовний, залежно від системи, ми спочатку встановлюємо найменші елементи.
