Електричний гідравлічний дистриб'ютор 2 SEK 40L 12V + PANER STER HYDROLIDER
- Час доставки: 7-10 днів
- Стан товару: новий
- Доступна кількість: 128
Просматривая «Электрический гидравлический дистрибьютор 2 SEK 40L 12 В + Гидролядер панели с стером» данный товар из каталога «Разделители» вы можете быть уверены, что после оформления заказа, доставки в Украину, вы получите именно то, что заказывали, в оговоренные сроки и европейского качества.
Гідравлічний дистриб'ютор 2 Розділ 1.10.60.021
Застосування:
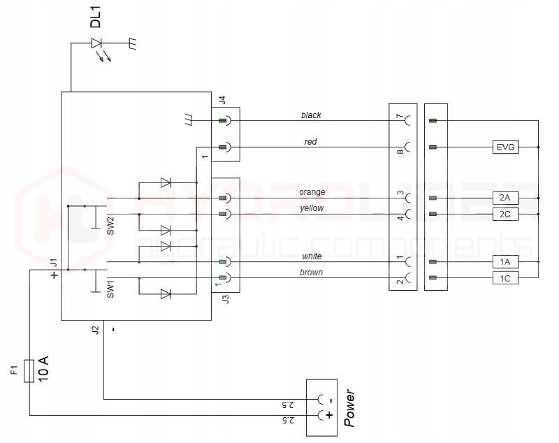
широко використовується в гідравлічних системах у сільському господарстві, саду, лісовому господарстві, будівництві та широкобезпечній галузі. HDS зарядні пристрої, будівельні машини, зарядні пристрої, екскаватори, підмітальні машини, промислові машини та інші пристрої з гідравлічною системою. 4 Набір кабелів, що дозволяє електричне з'єднання всіх розділів колектора з панеллю управління.
Технічні дані:
Включає: блок клапана, зняття розділу, два колектори, набір з'єднань з вихідною та панеллю управління M18x1.5 з кабельним променем. л/хв.
Контроль зразка: два циліндричні приводи.
Матеріал:
Повзунки для корпусу та сталі, електричні вилки та пластикові гайки для пресування, блок залежно від сталевої або алюмінієвої частини, пластикової панелі.
Загальні особливості колектора:
Принцип дії:
У дистриб'ютора є один стартовий розділ та два робочі розділи. Початковий розділ інакше полегшено, він призначений для полегшення насоса, поки ми не контролюємо жодного робочого розділу колектора. починаючи.
КОНТРОЛЬ:
Дво -позиція стартового слайдера (0 - 1), на пружині, тобто він повертається в нейтральне положення після відсічення джерела живлення. Поки повзунок знаходиться в нейтральному положенні, масло переходить до перенесення, насос потім звільняється. 4
Електрика:
Фіксація живлення (постійного струму) 12V
Підключення (внутрішні потоки в тілі):
- живлення від насоса (P): внутрішній потік BSP 1/2 ''
- повернення до резервуара (T) 1/2 ''
- Action (T) 1/2 '' '
- Alice A2, B1, B2): Внутрішня нитка BSP 3/8 ''
Діапазон хірургічного втручання:
- Максимальний тиск на джерело живлення: 250BAR
- Максимальний тиск на повернення: 50BAR
- Максимальний тиск на повернення розділів: 300BAR
- le> factior, начебто, набору валлію набору. 175BAR
- Можливість незалежної регуляції, повна зміна повороту на 30bar
рекомендується типами масла Agricola:
- Лордська висока якість: Lotos Agrol Boxol 26
- . 4
Загальні функції панелі управління:
Усі комутатори зверху вниз з автоматичним центром (1-0-2) без засувки.
Кожна панель продається в наборі з двометровим кабелем живлення, а складний триметровий кабель з вилками, що з'єднують панель з дистриб'ютором. У нас також є 3 м, 5м, 7м або 9м, що розширюють кабельні набори, які доступні на інших аукціонах.
У положенні будь -якого комутатора сигнал також вводиться також на додатковій парі кабелів, яка може бути використана для запуску попереджувальної сигналізації (ріг, півень) або котушки рельєфного клапана (розповсюджувача Cetop) або перемикання насоса через реле
Важливо !!!
Agricola набори були розроблені таким чином, щоб їх можна було легко зібрати. Через безпеку товарів у транспорті та обмеженнях, що виникають внаслідок реюгуламіну кур'єрських компаній, набір надсилається в нещасному штаті. Набір додається до точних інструкцій із зображенням для складання разом зі списком окремих елементів, що входять до нього.
